Оглавление: Кроме Cadillac ↧ Cadillac ↧
Кроме Cadillac
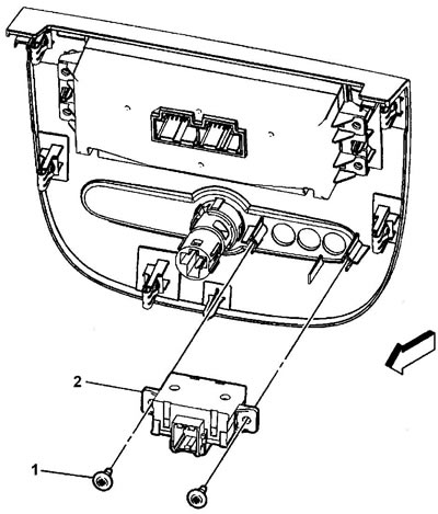
1. Снимите фасетку центральной консоли.
2. Отверните винты (1).

3. Снимите AV-вход (2).
4. Установку произведите в порядке, обратном снятию.
Cadillac
1. Снимите фасетку центральной консоли.
2. Сожмите защелки и снимите AV-вход (2).

3. Установку произведите в порядке, обратном снятию.
