2. Снимите кожух рулевой колонки.
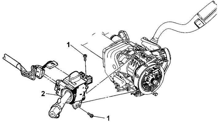
3. Отверните винты (1). Момент затяжки 3 Н·м.

4. Снимите переключатель управления стеклоочистителями и стеклоомывателями с переключателем указателей поворота в сборе (2).
5. Отсоедините разъем.
6. Установку произведите в порядке, обратном снятию.
Статья перепечатана с сайта chevyman.ru
