Escalade
1. Снимите задний комбинированный фонарь.
2. Отсоедините разъем и извлеките лампу фонаря заднего хода (1).

3. Установку произведите в порядке, обратном снятию.
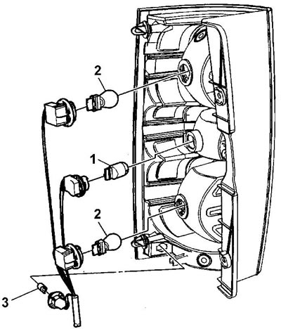
Tahoe, Avalanche
1. Снимите задний комбинированный фонарь.
2. Извлеките лампы.
- Лампа фонаря заднего хода (1).
- Лампа указателя поворота / стояночного огня (2).
- Лампа габарита (3).

3. Установку произведите в порядке, обратном снятию.
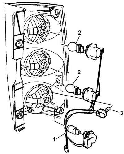
Yukon
1. Снимите задний комбинированный фонарь.
2. Извлеките лампы.
- Лампа фонаря заднего хода (1).
- Лампа указателя поворота / стояночного огня (2).
- Лампа габарита (3).

3. Установку произведите в порядке, обратном снятию.
