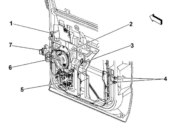
Дверь водителя. 1 - рама двери, 2 - блок управления в двери, 3 - зеркало заднего вида, 4 - электродвигатель стеклоподъемника, 5 - разъем выключателя подогрева сидения, 6 - лампа подсветки двери, 7 - панель двери, 8 - выключатель подогрева сидения, 9 - концевой выключатель закрытия двери.
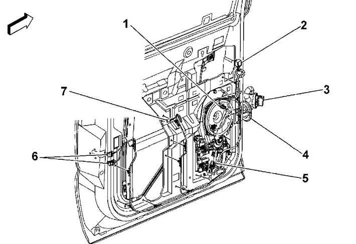
Дверь переднего пассажира. 1 - блок управления в двери, 2 - рама двери, 3 - концевой выключатель закрытия двери, 4 - выключатель подогрева сидения, 5 - разъем выключателя подогрева сидения, 6 - электродвигатель стеклоподъемника, 7 - зеркало заднего вида.
Левая задняя дверь. 1 - динамик, 2 - разъем выключателя стеклоподъемника, 3 - С310, 4 - Р700, 5 - электродвигатель стеклоподъемника, 6 - разъем концевого выключатель закрытия двери, 7 - разъем лампы подсветки двери.
Правая задняя дверь. 1 - концевой выключатель закрытия стекла, 2 - динамик, 3 - разъем лампы подсветки двери, 4 - концевой выключатель закрытия двери, 5 - электродвигатель стеклоподъемника, 6 - Р800, 7 - С396.
Задняя дверь грузового отсека. 1 - блок омывателя заднего стекла, 2 - концевой выключатель закрытия стекла, 3 - привод замка двери,4 - концевой выключатель закрытия двери (левый разъем), 5 - рама двери, 6 - концевой выключатель закрытия двери (правый разъем).
Выключатель привода складывания зеркал. 1 - выключатель привода складывания зеркал, 2 - выключатель подсветки, 3 - выключатель фар, 4 - выключатель плафона салона.
Правая задняя дверь грузового отсека. 1 - разъем подогревателя стекла, 2 - верхний замок, 3 - разъем цилиндра замка, 4 - разъем привода замка, 5 - рама двери.
Реле замка двери грузового отсека. 1 - реле, 2 - стойка "В".
