Снятие
1. Слейте охлаждающую жидкость из системы охлаждения двигателя. См. главу "Система охлаждения".
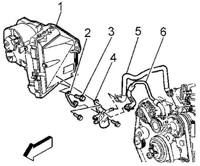
2. Отсоедините фиксаторы крепления трубки отвода хладагента (6) и трубки подвода хладагента (5).

3. Отверните болты (3) крепления перепускного клапана к блоку отопителя.
4. Снимите перепускной клапан охлаждающей жидкости (4). Момент затяжки 4 Н·м.
Установка
5. Установка производится обратном в порядке.
6. Заполните систему охлаждения охлаждающей жидкостью.
7. При помощи специального приспособления проверьте подсоединённые штуцеры системы на наличие утечки охлаждающей жидкости.
