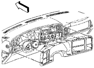
Снятие
1. Затяните стояночный тормоз.
2. Переместите селектор АКПП полностью вниз до положения включения последней передачи.
3. Опустите рулевое колесо вниз до упора.
4. Осторожно вытяните задние углы фасетки из рамы приборной панели.

5. Снимите фасетку.
Установка
6. Установка проводится в обратном порядке. Перед установкой проверьте наличие всех фиксаторов фасетки.
Информация взята с официального сайта chevyman
