Внимание: не допускается установка ресивера с другого автомобиля, в случае если будет установлен ресивер с другого автомобиля цифровое радио будет заблокировано, а на дисплее будет выведено сообщение "ХМ Theftlock".
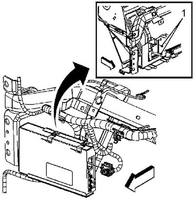
1. Снимите монтажный блок под панелью приборов с правой стороны, не отсоединяя разъемов.
2. Полностью откройте вещевой ящик.
3. Отверните два винта.
4. Снимите ресивер.
5. Отсоедините разъем (1).

6. Отсоедините коаксиальный кабель от ресивера.
7. Установку произведите в порядке, обратном снятию.
Информация взята с официального сайта chevyman.ru
