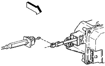
Внимание: не снимайте С-образный фиксатор.

1. Снимите декоративную накладку двигателя.
2. Отсоедините фиксаторы крепления троса.
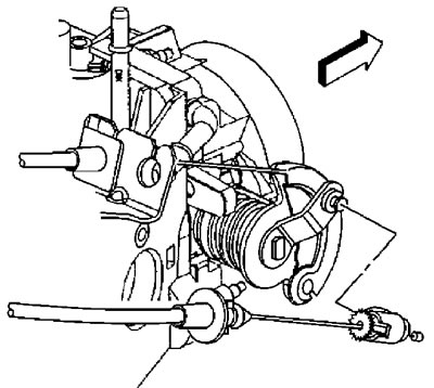
3. Отсоедините трос от дроссельной заслонки.

4. Отсоедините трос от блока управления системой поддержания скорости.

5. Снимите трос.
6. Установку произведите в порядке, обратном снятию.
Регулировка троса
Внимание: не снимайте С-образный фиксатор.
Отрегулируйте трос вращая черную пластиковую гайку.

