Кроме AN3
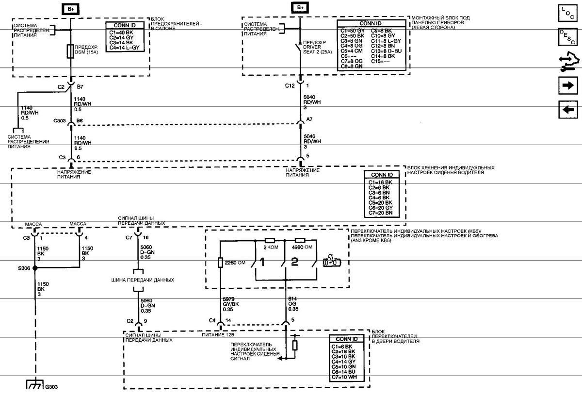
Питание, масса, шина данных и переключатель индивидуальных настроек (AN3)
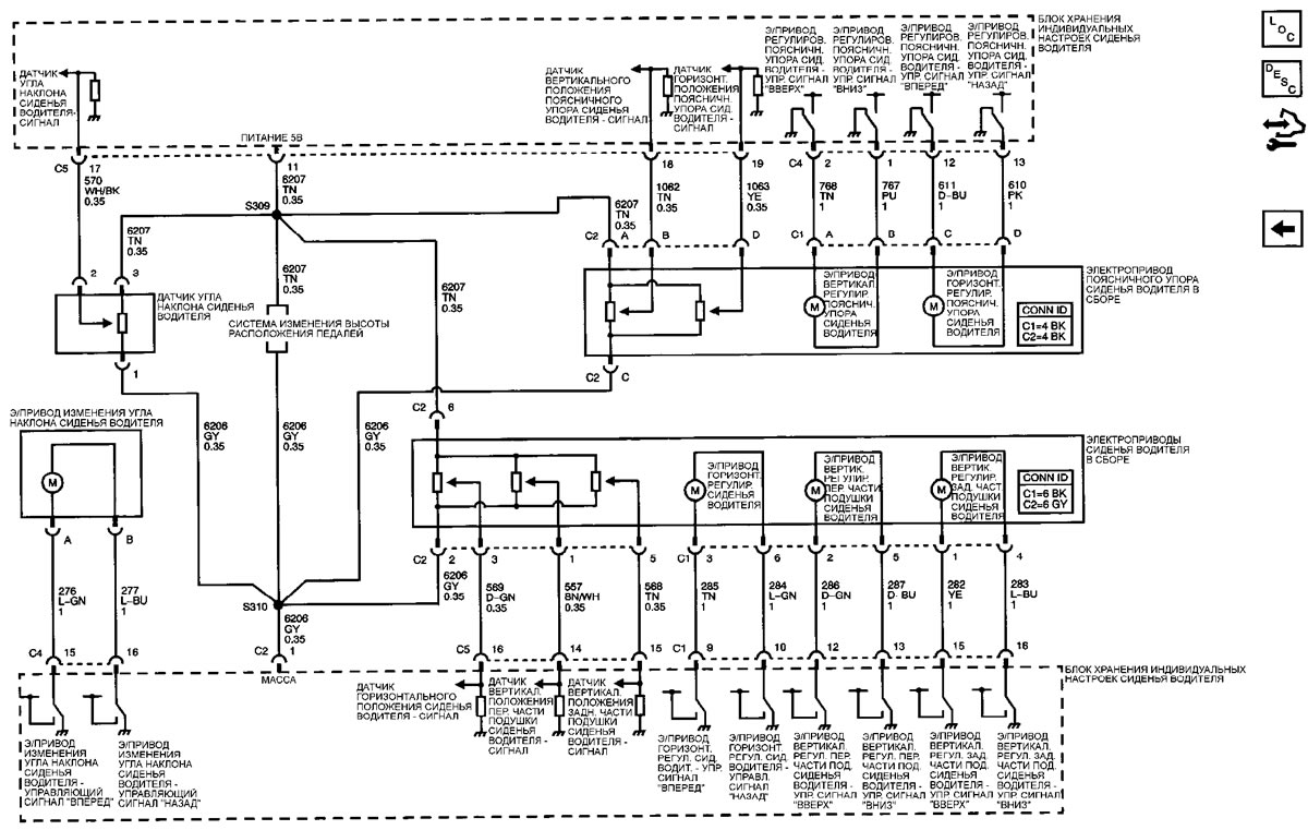
Переключатели регулировки сиденья (AN3)
Электроприводы и датчики положения сиденья (AN3)
Правила использования электрических схем находятся здесь →
Статья перепечатана с сайта chevyman.ru




