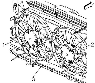
1 - вентилятор левой стороны, 2 - вентилятор правой стороны, 3 - пучок проводов передних фар
Разъем вентилятора
Назначение клемм:
- Вентилятор левой стороны:
- клемма А - цвет провода желтый (YE) - питание электродвигателя дополнительного вентилятора
- клемма В - цвет провода голубой (L-BL) - питание электродвигателя основного вентилятора
- Вентилятор правой стороны:
- клемма А - цвет провода черный (ВК) - "земля"
- клемма В - цвет провода серый (GY) - питание электродвигателя основного вентилятора
