Снятие
1. Полностью осушите систему охлаждения.
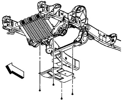
2. Поднимите автомобиль и подведите под раму стойки безопасности.
3. (Двигатели LC9/L76/L92 и двигатели LMG/LY5/LY6 серии 1500) Отверните болты крепления защиты масляного поддона (если установлен).

(Двигатели LMG/LY5/LY6 серии 2500) отверните два передних болта крепления защиты масляного поддона, ослабьте два задних болта и снимите защиту.

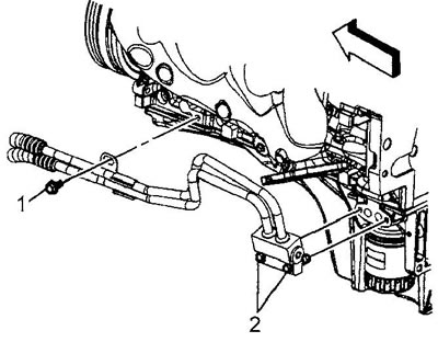
4. На моделях L76 и LY6 (6.0 л), выполните следующие шаги. На остальных моделях переходите к п. 5.
- а) Отверните болт (1) кронштейна шлангов охладителя масла. Момент затяжки 25 Н·м.

- б) Отверните болты (2) адаптера шлангов охладителя масла. Момент затяжки 12 Н·м.
- в) Снимите адаптер и прокладку, выбросите прокладку.
- г) Отведите адаптер и шланги в сторону.
5. Отсоедините разъем проводки подогревателя.
Двигатели LC9/L76/L92 |
Двигатели LMG/LY5/LY6 |
Внимание: при снятии подогревателя не повредите посадочное место.
6. Выверните подогреватель из блока двигателя. Момент затяжки 50 Н·м.

7. Прочистите все поверхности подогревателя.
Установка
8. Установка проводится в обратном порядке. Перед установкой нанесите на резьбу подогревателя герметик.
Статья перепечатана с сайта ChevyMan.ru
