Оглавление: Снятие ↧ Установка ↧
Снятие
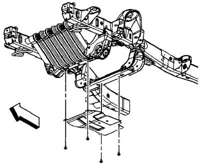
1. Поднимите автомобиль и подведите под раму стойки безопасности.
2. (Двигатель LY6 серии 2500) отверните два передних болта крепления защиты масляного поддона, ослабьте два задних болта и снимите защиту. Момент затяжки 20 Н·м.

(Двигатели LC9/L76/L92/LY5/LMG) Отверните болты крепления защиты масляного поддона и снимите защиту. Момент затяжки 20 Н·м.

3. Отсоедините разъем подогревателя охлаждающей жидкости.
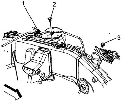
Двигатели LY6/LY5/LMG |
Двигатели LC9/L76/L92 |
Двигатель LY6
4. Отсоедините клипсы (1) крепления провода подогревателя к тормозным трубкам передних тормозов.
5. Отсоедините клипсу (2) поддержки проводов от рамы.
6. Опустите автомобиль.

7. Отверните болт (3) крепления проводов к раме. Момент затяжки 8 Н·м.
8. Снимите провода с автомобиля.
9. Установка проводится в обратном порядке.
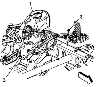
Двигатели LC9/L76/L92
4. Удалите клипсы (3) крепления проводов нагревателя к каналу жгута проводов двигателя.

5. Удалите клипсы крепления проводов нагреватель (1) к шлангу усилителя рулевого управления.
6. Опустите автомобиль.
7. Отверните болт (2) крепления проводов к раме. Момент затяжки 8 Н·м.
8. Снимите провода.
9. Установка проводится в обратном порядке.
Двигатели LY5/LMG
4. Снимите клипсу (5) крепления проводов нагревателя к раме.

5. Отсоедините клипсу (6) крепления проводов к тормозной трубке переднего тормоза.
6. Опустите автомобиль.
7. Отверните болт (4) крепления проводов нагревателя раме. Момент затяжки 8 Н·м.
8. Отсоедините клипсу (2) крепления проводов нагревателя к жгуту проводов шасси.
9. Отсоедините клипсу (1) крепления проводов нагревателя к шпильке тоннеля пружины подвески.
10. Снимите провода с автомобиля.
Установка
11. Установка проводится в обратном порядке.
