Снятие
1. Снимите верхнюю крышку двигателя.
2. Отсоедините от воздуховода шланг системы вентиляции картера.

3. Снимите с воздуховода держатели хомутов шлангов радиатора.
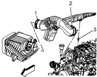
4. Ослабьте хомут (1) крепления воздуховода к датчику расхода / температуры воздуха.
5. Ослабьте хомут (2) крепления воздуховода к корпусу дроссельной заслонки.
6. Поднимите воздуховод до отделения воздуховода от шпильки (3) резонатора впуска.

7. Снимите воздуховод.
Установка
8. Установка в обратном порядке.
