Снятие
Ранние модели
1. Отверните болт крепления датчика. Момент затяжки 29 Н·м.
2. Снимите датчик.

3. Установка проводится в обратном порядке.
Поздние модели
Внимание: прочистите поверхности около датчика, чтобы избежать попадания грязи в двигатель.
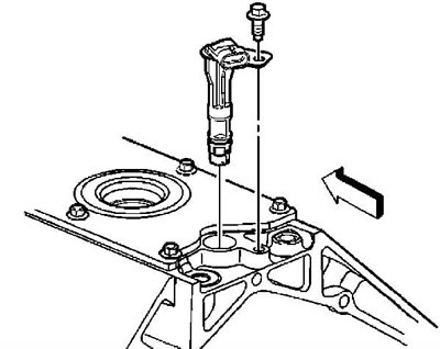
1. Поднимите автомобиль и подведите под раму стойки безопасности.
2. Отсоедините разъем (1) датчика.

3. Отверните болты (705) и (738) крепления пучка проводов датчика. Показан рисунок для моделей без смены фаз газораспределения.

Момент затяжки 12 Н·м.
4. Снимите пучок проводов (737).
5. Снимите датчик (703) и уплотнительное кольцо (704).
Установка
6. Установка проводится в обратном порядке. Смажьте уплотнительное кольцо моторным маслом.
[Для подробностей посетите сайт: chevyman.ru]
