Снятие
1. Поднимите автомобиль и установите под раму стойки безопасности.
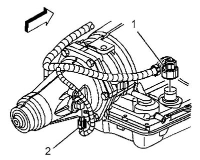
2. Отсоедините разъем (2) датчика скорости.

3. Отверните болт (2) крепления датчика. Момент затяжки 11 Н·м.

4. Снимите датчик (1).
5. Снимите с датчика уплотнительное кольцо (3).
Установка
6. Установка проводится в обратном порядке. При установке смажьте уплотнительное кольцо рабочей жидкостью АКПП.
