Снятие
1. До начала снятия корпуса клапана убедитесь в том, что это действительно необходимо.
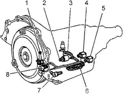
2. Не снимая корпуса клапана можно заменить:
- клапан муфты гидротрансформатора (1);
- клапан регулирования давления (2);
- внутренний пучок проводов (3);
- клапан переключения 2-3 передач (4);
- клапан переключения 1-2 передач (5);
- датчик положения клапана регулятора давления (6);
- клапан переключения 3-2 передач (7);
- клапан модуляции ширины импульса муфты гидротрансформатора (8).

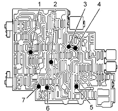
3. Отсоедините внутренние разъемы:
- датчика положения клапана регулятора давления (1);
- клапана переключения 1-2 передач (2);
- клапана переключения 2-3 передач (3);
- клапана регулирования давления (4);
- клапана модуляция ширины импульса муфты (5);
- клапана переключения 3-2 передач (6).

4. (Модификации) Отверните болт (2) кронштейна ограничителя индикатора рабочей жидкости.

5. Снимите кронштейн ограничителя индикатора рабочей жидкости (1).
6. С помощью маленькой отвертки снимите фиксатор (2) клапана (1) модуляция ширины импульса муфты гидротрансформатора. При необходимости обеспечения доступа к фиксатору поверните клапан в посадке.

7. Снимите клапан (1) модуляции ширины импульса муфты гидротрансформатора.
8. Отверните болты крепления клапана блокировки муфты гидротрансформатора.

9. Снимите с корпуса клапанов клапан блокировки муфты гидротрансформатора (вместе с уплотнительным кольцом и пучком проводов).

10. Уложите провода в стороне.
11. Отверните болты крепления выключателя по давлению к корпусу клапанов.

12. Снимите выключатель по давлению.
13. Проверьте состояние выключателя.

14. Отверните болт крепления пружины ручного фиксатора.

15. Снимите пружину фиксатора.
16. Проверьте состояние фиксатора, ищите трещины или повреждения.
Внимание: при снятии корпуса клапанов держите его горизонтально, это предотвратит потерю шариков обратных клапанов, расположенных в сверлениях корпуса клапанов.
17. Отверните остальные болты крепления корпуса клапанов.
18. Осторожно опустите корпус клапанов, одновременно отсоединяя тягу ручного клапана.

19. Удалите 7 шариков обратных клапанов.

20. Отверните болты (58) и (59) крышки (57) аккумулятора.
21. Снимите крышку (57).

22. Отверните болты (77) проставки.
23. Снимите проставку (53).

24. Снимите прокладку корпуса клапанов (52), проставку (48), и прокладку картера (47).

Установка
1. Установите НОВУЮ прокладку корпуса клапанов (52), проставку (48) и НОВУЮ прокладку картера (47).
2. Установите проставку (53) и болты (77) крепления проставки. Затяните болты. Момент затяжки 10 Н·м.
3. Установите сборку крышки аккумулятора (57).
4. Установите болты (58) и (59). Затяните болты. Момент затяжки 10 Н·м.
5. Уложите в корпус клапанов семь шариков обратных клапанов.
6. Осторожно установите корпус клапанов, одновременно подсоединяя тягу ручного клапана.
7. Убедитесь в том, что тяга (3) ручного клапана вошла в зацепление с клапаном (2) и рычагом фиксатора (1).

8. Установите один болт (М6х1 длиной 47,5 мм) в центральное отверстие (1) корпуса клапанов, затяните болт от руки.

Внимание: поскольку размеры болтов крепления корпуса клапанов разные, будьте внимательны при их установке.
9. Установите, но не затягивайте болты крепления корпуса клапанов. Места установки болтов указаны на рисунке.
Места установки болтов крепления корпуса клапанов. 1 - М6х1 - 65,0 мм, 2 - М6х1 - 54,4 мм, 3 - М6х1 - 47,5 мм, 4 - М6х1 - 35,0 мм, 5 - М8х1 - 20,0 мм, 6 - М6х1 - 12,0 мм, 7 - М6х1 - 18,0 мм.
Примечание: (модификации) пока не устанавливайте кронштейн ограничителя индикатора рабочей жидкости и его болт крепления.
10. Установите пружину ручного фиксатора.
11. Установите болт крепления пружины ручного фиксатора.
12. Установите выключатель по давлению жидкости.
13. От руки затяните болты крепления выключателя.
Примечание: болты крепления корпуса клапанов затягиваются в порядке "спираль", начинающуюся от центра. Другой порядок затяжки может привести к неверной работе клапанов.
14. Затяните болты крепления корпуса клапанов в порядке "спираль". Момент затяжки 11 Н·м.

15. Убедитесь в том, что пружина ручного фиксатора правильно стоит на рычаге фиксатора. Затяните болт крепления. Момент затяжки 11 Н·м.
16. Установите на корпус клапанов клапан блокировки муфты гидротрансформатора с НОВЫМ уплотнительным кольцом.
17. Установите болты крепления клапана блокировки, затяните болты. Момент затяжки 11 Н·м.
18. Установите на корпус клапанов внутренний пучок проводов. Кожух пучка имеет выступ (1). Ориентация пучка показана на рисунке.

19. Уложите выступ кожуха между корпусом клапанов и выключателем по давлению в месте (2). Нажмите на кожух пучка проводов в бобышках (1) и (3) до полной фиксации.

20. Установите клапан модуляции ширины импульса муфты гидротрансформатора.
21. Установите фиксатор клапана модуляции.
22. (Модификации) Установите кронштейн ограничителя индикатора рабочей жидкости. Затяните болты крепления. Момент затяжки 11 Н·м.
23. Подсоедините все разъемы:
- датчика положения клапана регулятора давления
- клапана переключения 1-2 передач
- клапана переключения 2-3 передач
- клапана регулирования давления
- клапана модуляция ширины импульса муфты
- клапана переключения 3-2 передач.
24. Установите фильтр АКПП.
