Ранние модели редуктора 8,25 дюймов и все модели редуктора 9,25 дюймов
1. Поднимите автомобиль.
2. Если установлена, снимите защиту редуктора.
Внимание: запомните маршрут прокладки шланга.
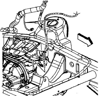
3. Отсоедините шланг сапуна (1) от пучка проводов (2) (только отключаемый передний мост).

4. Освободите шланг из клипс поддержки.
5. Снимите шланг со штуцера редуктора.
6. Продуйте шланг сжатым воздухом.
7. Установка проводится в обратном порядке. Не допускайте перегибов шланга.
Поздние модели редуктора 8,25 дюймов
1. Поднимите автомобиль.
2. Если установлена, снимите защиту редуктора.
3. Освободите шланг сапуна из клипс поддержки на раме.

4. Снимите шланг сапуна со штуцера картера редуктора.
5. Опустите автомобиль.
6. Снимите шланг сапуна с внутреннего крыла.

7. Продуйте шланг сжатым воздухом.
8. Установка проводится в обратном порядке. Не допускайте перегибов шланга.
Информация взята с официального сайта chevyman.ru
