Снятие
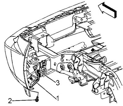
1. Отверните болт (2) крепления элемента жесткости к накладке панели бампера. Момент затяжки 15 Н·м.

2. Отверните болт (3) крепления элемента жесткости к наружной пластине опоры элемента жесткости. Момент затяжки 9 Н·м.
3. Снимите элемента жесткости (1).
Установка
4. Установка проводится в обратном порядке.
