Снятие
1. Отсоедините разъем лампы подсветки номерного знака.

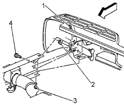
2. Отверните гайку (1) усилителя бампера.

3. Отверните гайки (2) пластины крепления бампера.
4. Отверните болт (3) крепления кронштейна к поперечине рамы.
5. Отверните болт (4) крепления кронштейна к лонжерону рамы.
6. Если установлено, отверните болты (1) крепления дышла прицепа к бамперу.

7. Снимите задний бампер с автомобиля.
Установка
1. Установите задний бампер на автомобиль.
2. Если снимали, установите дышло прицепа, затяните болты крепления.
3. Установите гайку усилителя бампера. Затяните гайку. Момент затяжки 50 Н·м.
4. Установите гайки пластины крепления бампера. Затяните гайки. Момент затяжки 90 Н·м.
5. Установите болт крепления кронштейна к поперечине. Затяните болт. Момент затяжки 100 Н·м.
6. Установите болт крепления кронштейна к лонжерону. Затяните болт. Момент затяжки 40 Н·м.
7. Подсоедините разъем лампы подсветки номерного знака.
Информация взята с официального сайта ChevyMan.ru
