Примечание: здесь приведена процедура замены левого крыла, замена правого крыла проводится аналогично, за исключением некоторых мелких отличий.
1. Отсоедините кабель отрицательной клеммы аккумуляторной батареи.
2. Снимите наружную часть отделки решетки перегородки моторного отсека.

3. Снимите капот.
4. Снимите сборку пружины капота.
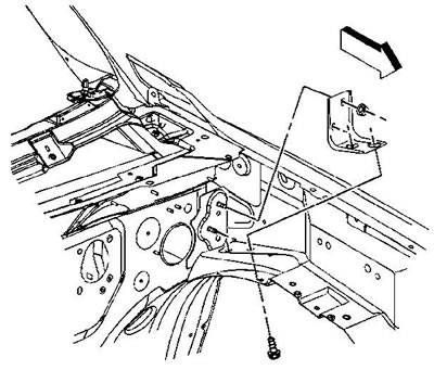
5. Снимите стяжку, соединяющую крыло с перегородкой моторного отсека. Момент затяжки 25 Н·м.

Момент затяжки 9 Н·м.
6. Снимите кронштейн панели колесной арки. Момент затяжки 25 Н·м.

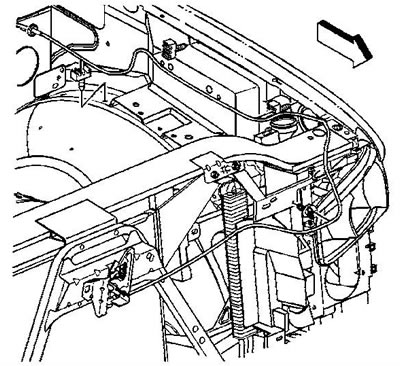
7. Снимите поддон аккумуляторной батареи.
8. Освободите из клипс поддержки трос замка капота.

9. Освободите из клипс крыла шланг омывателя ветрового стекла.
10. Снимите блок предохранителей (распределения питания).
11. Удалите крепеж (2) колесной арки (1) к крылу (3).

12. Отверните болт крепления крыла к перегородке моторного отсека. Момент затяжки 25 Н·м.

13. Откройте переднюю дверь.
14. Отверните болты крепления крыла к петлям двери. Момент затяжки 25 Н·м.

15. Освободите из крыла клипсу решетки радиатора.

16. Отверните болты крепления крыла к опоре радиатора. Момент затяжки 25 Н·м.

17. Отверните задний нижний болт крепления крыла. Момент затяжки 25 Н·м.

18. Снимите переднее крыло.
19. Установка проводится в обратном порядке.
