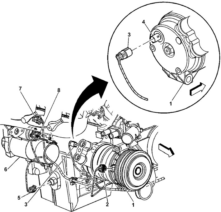
Компрессор кондиционера (модели с механическим управлением). 1 - компрессор кондиционера, 2 - разъем компрессора кондиционера, 3 - разъем выключателя по давлению, 4 - выключатель по давлению, 5 - датчик уровня моторного масла, 6 - стартер, 7 - датчик положения коленчатого вала, 8 - разъем стартера.
Cadillac Escalade (модели до 2005 г.)
1. Откачайте хладагент из системы кондиционирования.
2. Отсоедините электрический разъем (1).

3. Снимите ремень привода навесных агрегатов.
4. Отсоедините электрический разъем (2) от выключателя по давлению.

5. Отсоедините болт (3) крепления шланга. Момент затяжки 48 Н·м.

6. Снимите и выбросите все уплотнительные шайбы.
7. Отверните болты и гайки крепления кронштейна компрессора кондиционера. Момент затяжки 50 Н·м.
8. Снимите кронштейн компрессора кондиционера.
9. Отверните болты (4) крепления компрессора кондиционера. Момент затяжки 50 Н·м.
10. Снимите компрессор кондиционера.
11. Слейте из компрессора масло и измерьте его количество.
12. Если компрессорное масло загрязнено, то замените трубку с расширительным жиклером.
13. В случае замены компрессора кондиционера на новый долейте в систему необходимое количество масла.
14. Установка проводится обратном в порядке.
15. Проведите вакуумирование системы и заправку системы хладагентом.
16. При помощи специального приспособления проверьте систему на наличие утечки хладагента.
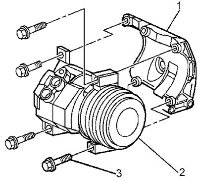
Chevrolet Tahoe, Cadillac Escalade (модели с 2005 г.)
1. Откачайте хладагент из системы кондиционирования.
2. Установите съемник в переходное отверстие.
3. Поверните ремень привода компрессора кондиционера по часовой стрелке и ослабьте натяжение ремня.
4. Снимите ремень привода компрессора со шкива компрессора кондиционера.
5. Слегка ослабьте натяжение ремня.
6. Снимите правое колесо.
7. Снимите подкрылок.
8. Отверните болт крепления шланга отвода хладагента от компрессора кондиционера. Момент затяжки 16 Н·м.
9. Отсоедините шланг от компрессора кондиционера.
10. Отверните болт крепления шланга подвода хладагента от компрессора кондиционера. Момент затяжки 16 Н·м.
11. Отсоедините шланг от компрессора кондиционера.
12. Снимите уплотнительный шайбы и выбросите их. Установите заглушки на открытые концы трубок.
13. Отсоедините разъемы проводки.
14. Отверните болты (3) крепления компрессора кондиционера. Момент затяжки 50 Н·м.

15. Снимите кронштейн (1) с компрессора (2).
16. В случае замены компрессора кондиционера на новый долейте в систему необходимое количество масла.
17. Установка проводится в обратном порядке.
18. Проведите вакуумирование системы и заправку системы хладагентом.
19. При помощи специального приспособления проверьте систему на наличие утечки хладагента.
Текст статьи был получен с сайта CHEVYMAN.RU
