Все тормоза
1. Проверьте уровень жидкости в бачке главного тормозного цилиндра.
2. Если уровень тормозной жидкости находится по середине между метками максимального и минимального уровня, то перед началом замены колодок жидкость из бачка удалять не надо.
3. Если уровень тормозной жидкости выше середины, откачайте жидкость до середины между метками.
4. Поднимите автомобиль и подведите под раму стойки безопасности.
5. Снимите переднее (или заднее) колесо.
6. Для облегчения снятия и правильности последующей установки колодок заведите поршни тормозного суппорта в суппорт:
- установите большую струбцину на корпус суппорта и на наружную тормозную колодку;
- медленно сводите губки струбцины до полного захода поршней в суппорт;
- снимите струбцину.
Передний тормоз серий 1500 и задний тормоз серии 2500
7. По возможности полно очистите поверхность суппорта от грязи.
Внимание: чтобы предотвратить потерю тормозной жидкости и попадания грязи в систему глушите открытые отверстия.
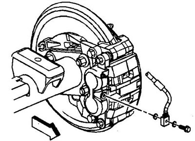
8. Отверните болт крепления тормозного шланга к суппорту.
Серия 1500
Момент затяжки 40 Н·м.
Серия 2500, передний тормоз
Момент затяжки 45 Н·м.
Серия 2500, задний тормоз
Момент затяжки 45 Н·м.
9. Снимите и выбросите две медные уплотнительные шайбы банджо тормозного шланга.
10. Снимите с суппорта тормозной шланг.
Внимание:
- На моделях серии 1500 при отворачивании и заворачивании болтов направляющих пальцев используйте только ручной инструмент.
- На моделях серии 1500 при отворачивании и заворачивании болтов направляющих пальцев удерживайте направляющий палец ключом с открытым зевом. Не допускайте контакта ключа с суппортом.
Серия 1500
11. Отверните болты направляющих пальцев тормозного суппорта.
Серия 1500
Момент затяжки 100 Н·м.
Серия 2500
Момент затяжки 108 Н·м.
12. Снимите суппорт с кронштейна опоры.

13. Установка проводится в обратном порядке.
Задний тормоз, серия 1500
7. По возможности полно очистите поверхность суппорта от грязи.
Внимание: чтобы предотвратить потерю тормозной жидкости и попадания грязи в систему глушите открытые отверстия.
8. Отверните болт крепления тормозного шланга к суппорту.

Момент затяжки 45 Н·м.
9. Снимите и выбросите две медные уплотнительные шайбы банджо тормозного шланга.
10. Снимите с суппорта тормозной шланг.
Внимание:
- При отворачивании и заворачивании болтов направляющих пальцев используйте только ручной инструмент.
- При отворачивании и заворачивании болтов направляющих пальцев удерживайте направляющий палец ключом с открытым зевом. Не допускайте контакта ключа с суппортом.
11. Отверните болты направляющих пальцев тормозного суппорта.

Момент затяжки 38 Н·м.
12. Снимите тормозной суппорт с кронштейна опоры.

13. Установка проводится в обратном порядке. Перед установкой болтов направляющих пальцев нанесите на резьбу болтов контрящий клей.
Все тормоза
14. Прокачайте тормозную систему.
