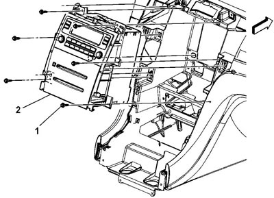
Cadillac
Внимание: при помощи диагностического оборудования перепишите идентификационный номер магнитолы.
1. Снимите центральную отделку панели инструментов.
2. Отверните винты (1).

3. Отсоедините четыре разъема и штекер антенны.
4. Снимите магнитолу (2).
Примечание: после установки магнитолы, выполните процедуру авторизации.
5. Установку произведите в порядке, обратном снятию.
Кроме Cadillac
Внимание: при помощи диагностического оборудования перепишите идентификационный номер магнитолы.
1. Снимите центральную отделку панели инструментов.
2. Снимите блок управления кондиционером.
3. Отверните винты (1).

4. Отсоедините разъем и штекер антенны.
5. Снимите магнитолу (2).
Примечание: после установки магнитолы, выполните процедуру авторизации.
6. Установку произведите в порядке, обратном снятию.
Оригинальный текст можно найти на сайте: chevyman
