Cadillac
1. Снимите фасетку центральной консоли.
2. Снимите нижнюю центральную отделку панели инструментов.
3. Отверните болты (1). Момент затяжки 2 Н·м.

4. Выдвиньте подстаканники для задних пассажиров.
5. Отверните винты (2). Момент затяжки 2 Н·м.
6. Сдвиньте сиденья так чтобы получить доступ к винтам крепления консоли.
7. Отверните винты (3). Момент затяжки 9 Н·м.
8. Поднимите консоль.
9. Отверните винты крепления усилителя (4). Момент затяжки 9 Н·м.
10. Отсоедините разъемы.
11. Снимите усилитель аудиосистемы (5).
Примечание: после установки усилителя аудиосистемы, выполните процедуру авторизации.
12. Установку произведите в порядке, обратном снятию.
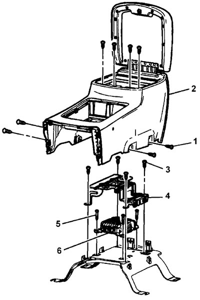
Кроме Cadillac
1. Отверните винты крепления консоли (1). Момент затяжки 9 Н·м.

2. Снимите консоль (2).
3. Отверните винты крепления кронштейна (3). Момент затяжки 9 Н·м.
4. Снимите кронштейн (4).
5. Отверните винты крепления усилителя (5). Момент затяжки 9 Н·м.
6. Отсоедините разъем.
7. Снимите усилитель аудиосистемы (6).
Примечание: после установки усилителя аудиосистемы, выполните процедуру авторизации.
8. Установку произведите в порядке, обратном снятию.
Оригинал материала расположен на сайте CHEVYMAN.RU
