2. Снимите вентиляционную решетку.
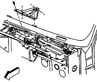
3. Отверните четыре болта и снимите распорку. Момент затяжки 9 Н·м.

4. Отсоедините разъем от электродвигателя.

5. Отверните два болта крепления тяги привода очистителя лобового стекла. Момент затяжки 9 Н·м.

6. Снимите тягу.
7. Отсоедините тягу от электродвигателя.

8. Отверните два болта и снимите электродвигатель привода очистителя лобового стекла.

9. Установку произведите в порядке, обратном снятию.
Для подробностей посетите сайт chevyman.ru
