2. Снимите тягу электропривода задней двери.
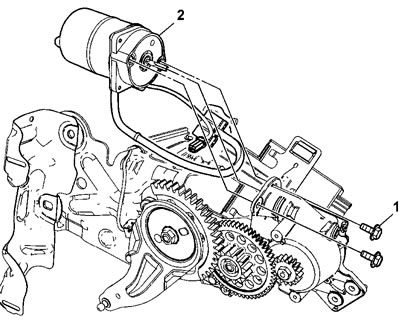
3. Отверните болты (1). Момент затяжки 8 Н·м.

4. Отсоедините разъем.
5. Снимите электродвигатель привода задней двери (2).
Примечание: после установки электродвигателя привода задней двери, выполните процедуру авторизации.
Первоисточник статьи — сайт CHEVYMAN.ru
