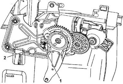
2. Отверните винт (1).

3. Отсоедините разъем.
4. Снимите выключатель электропривода задней двери (2).
Примечание: после установки выключателя электропривода задней двери, выполните процедуру авторизации.
5. Установку произведите в порядке, обратном снятию.
Оригинал материала расположен на сайте: «ChevyMan.ru»
