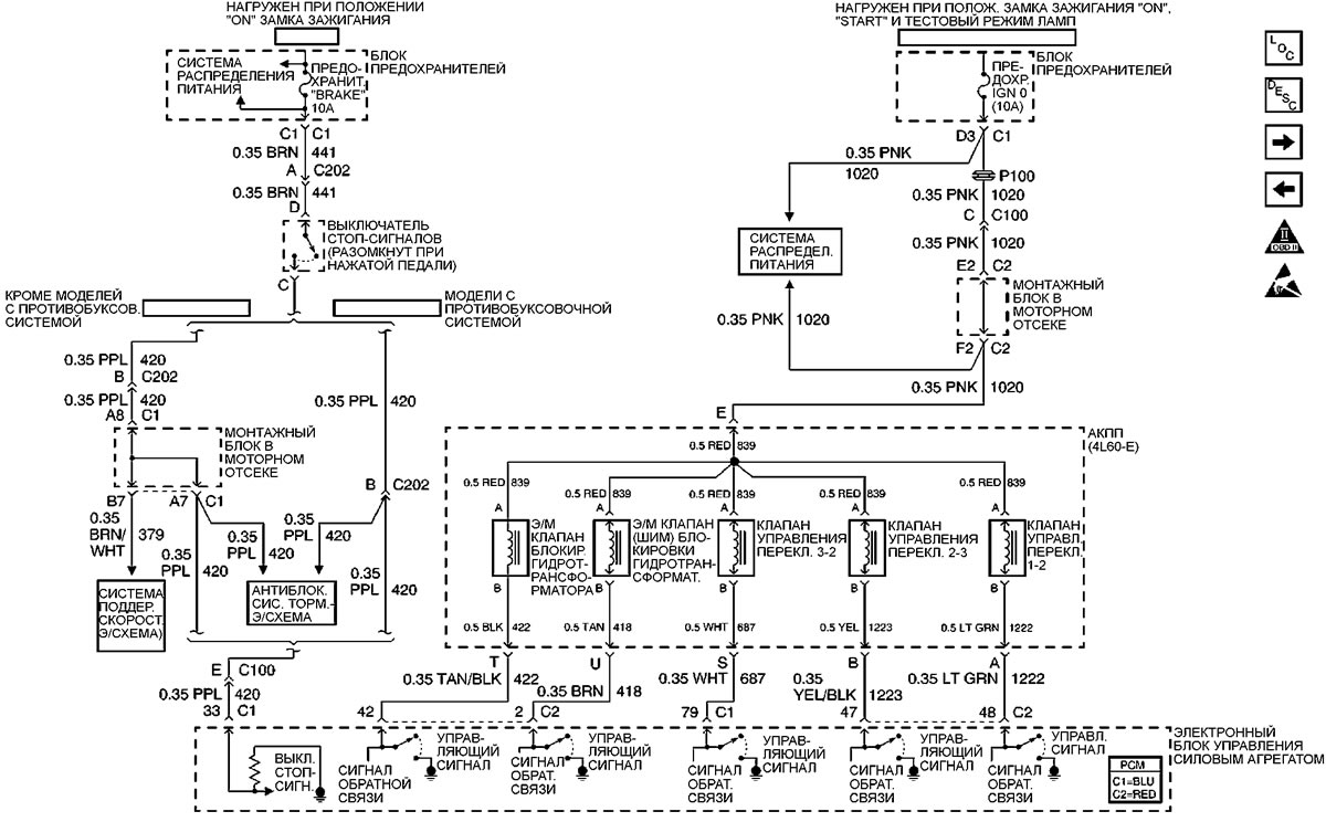
Электромагнитные клапаны АКПП (4L60-E), выключатель стоп-сигналов
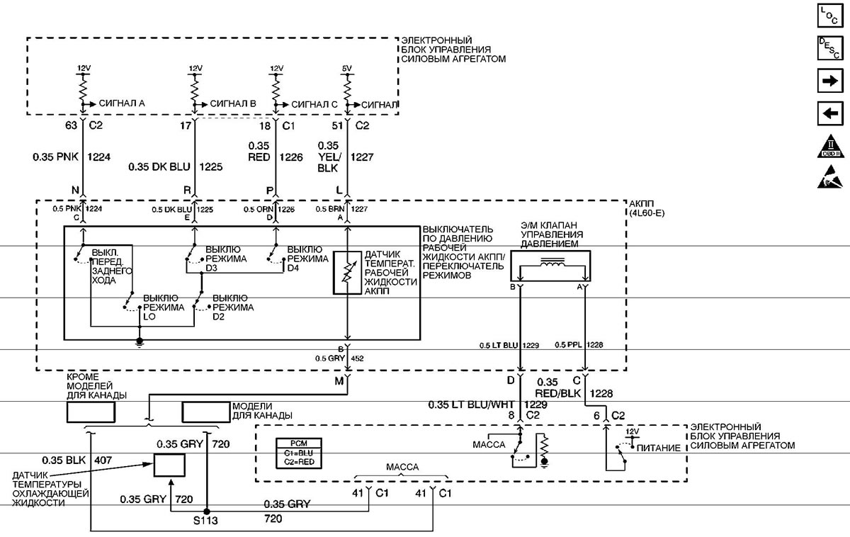
Выключатели АКПП (4L60-E), э/м клапан управления давлением, датчик температуры рабочей жидкости АКПП
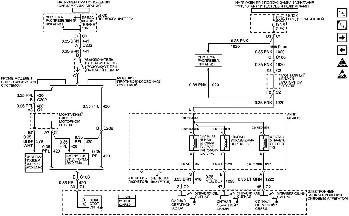
Электромагнитные клапана АКПП (4L80-E), выключатель стоп-сигналов
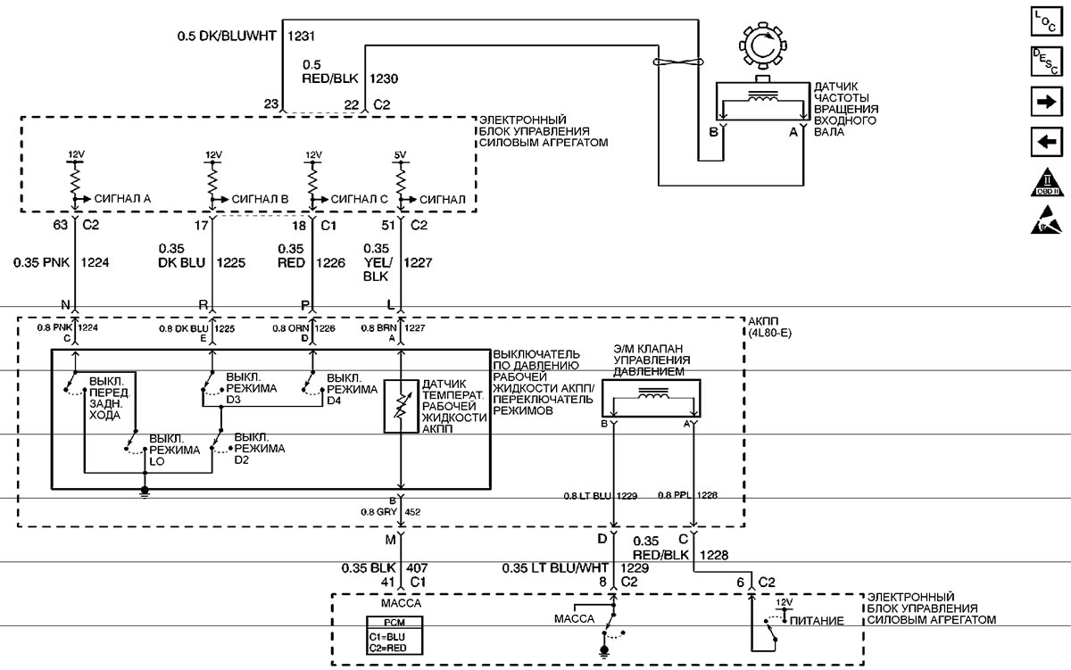
Выключатели АКПП (4L80-E), датчик частоты вращения входного вала, датчик температуры рабочей жидкости АКПП
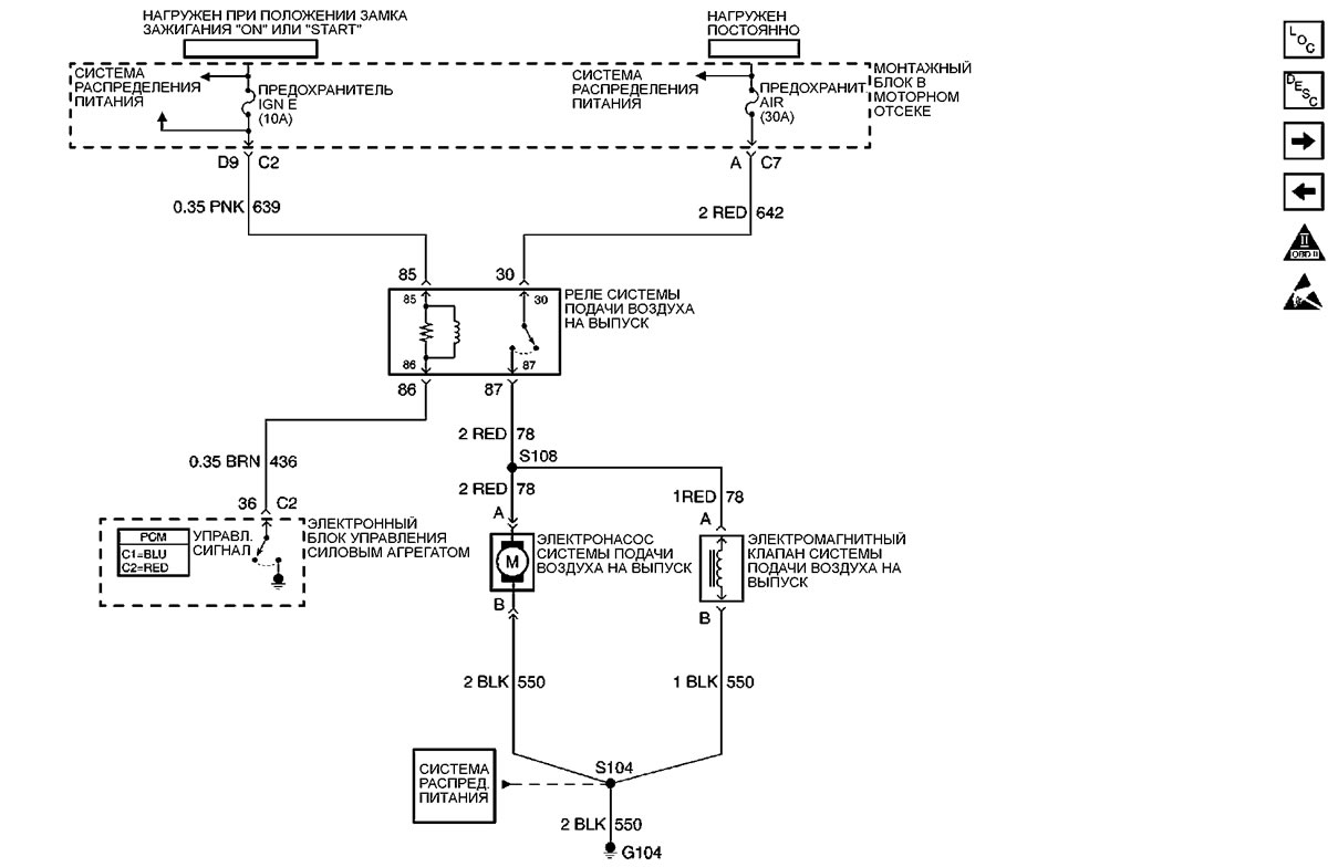
Питание, электронасос системы подачи воздуха на выпуск, электромагнитный клапан системы подачи воздуха на выпуск
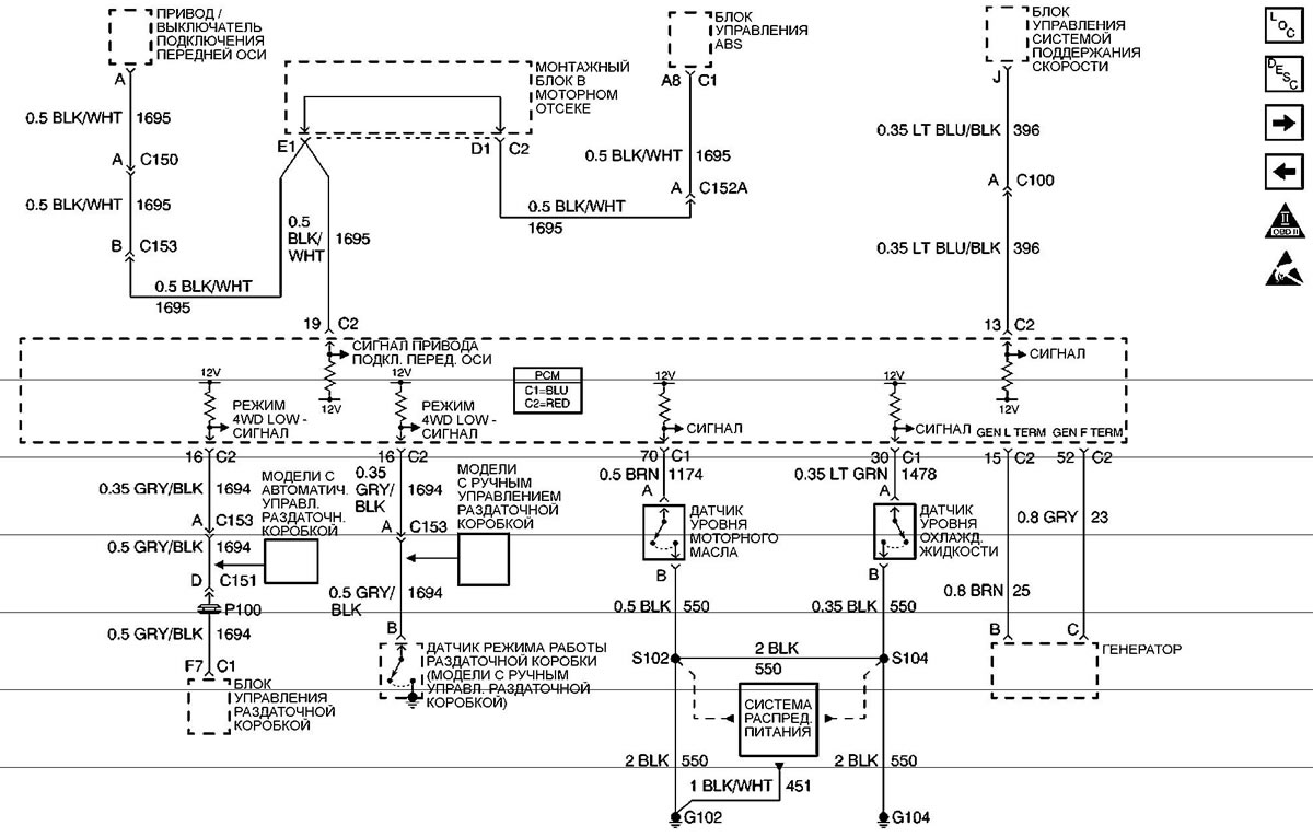
Блок управления раздаточной коробкой, генератор, датчик уровня моторного масла, блок управления ABS
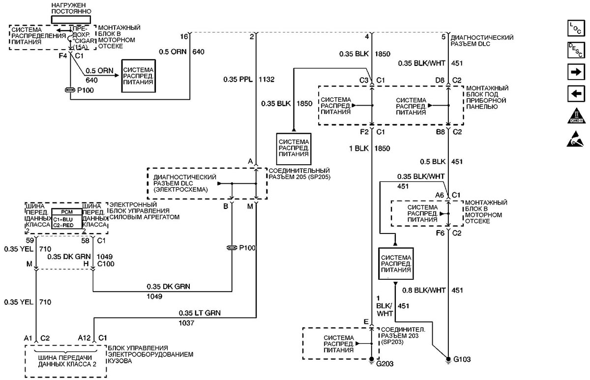
Питание, точки заземления, диагностический разъем
Электродвигатель привода дроссельной заслонки (ТАС), выключатель системы поддержания скорости, датчик положения педали акселератора
Датчик положения педали сцепления, блок управления ABS, электронный блок управления подвеской, система распределения питания
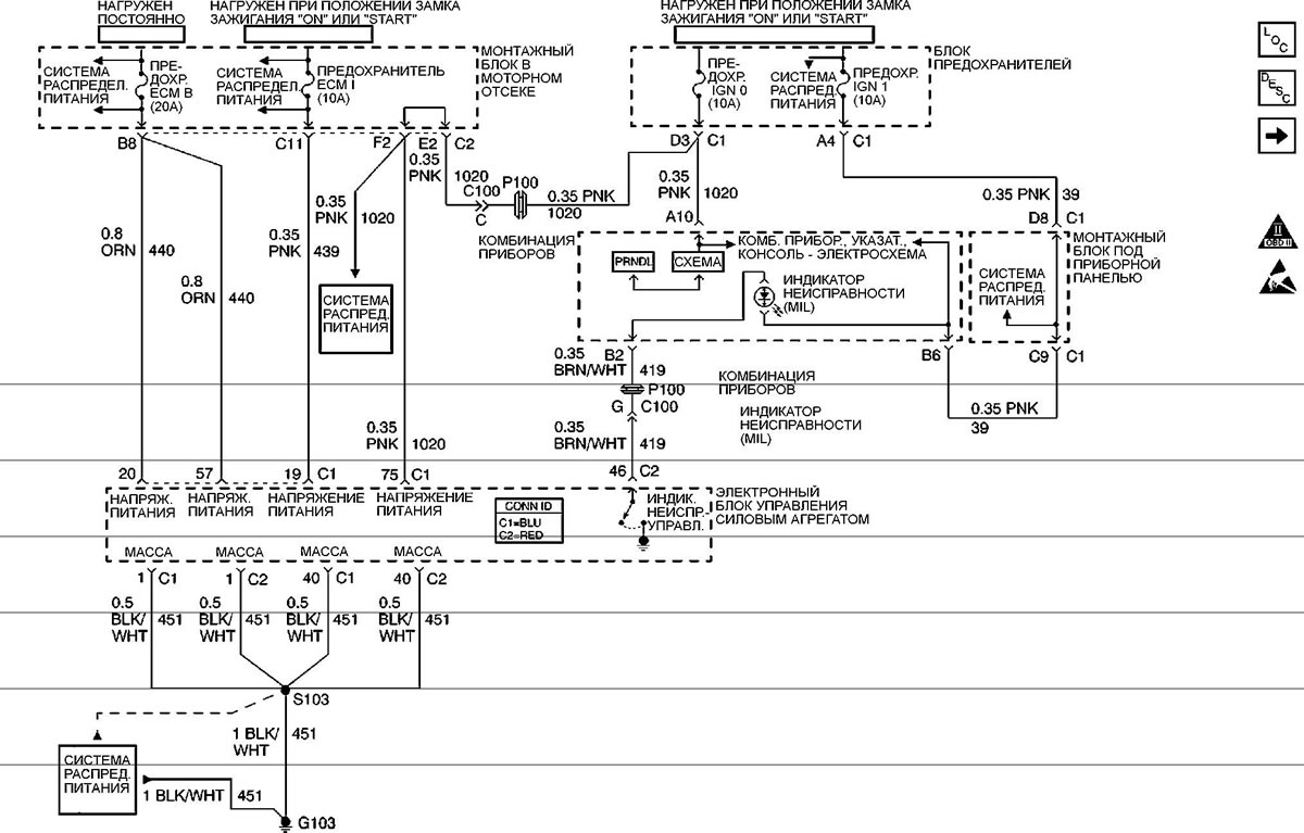
Питание, точки заземления
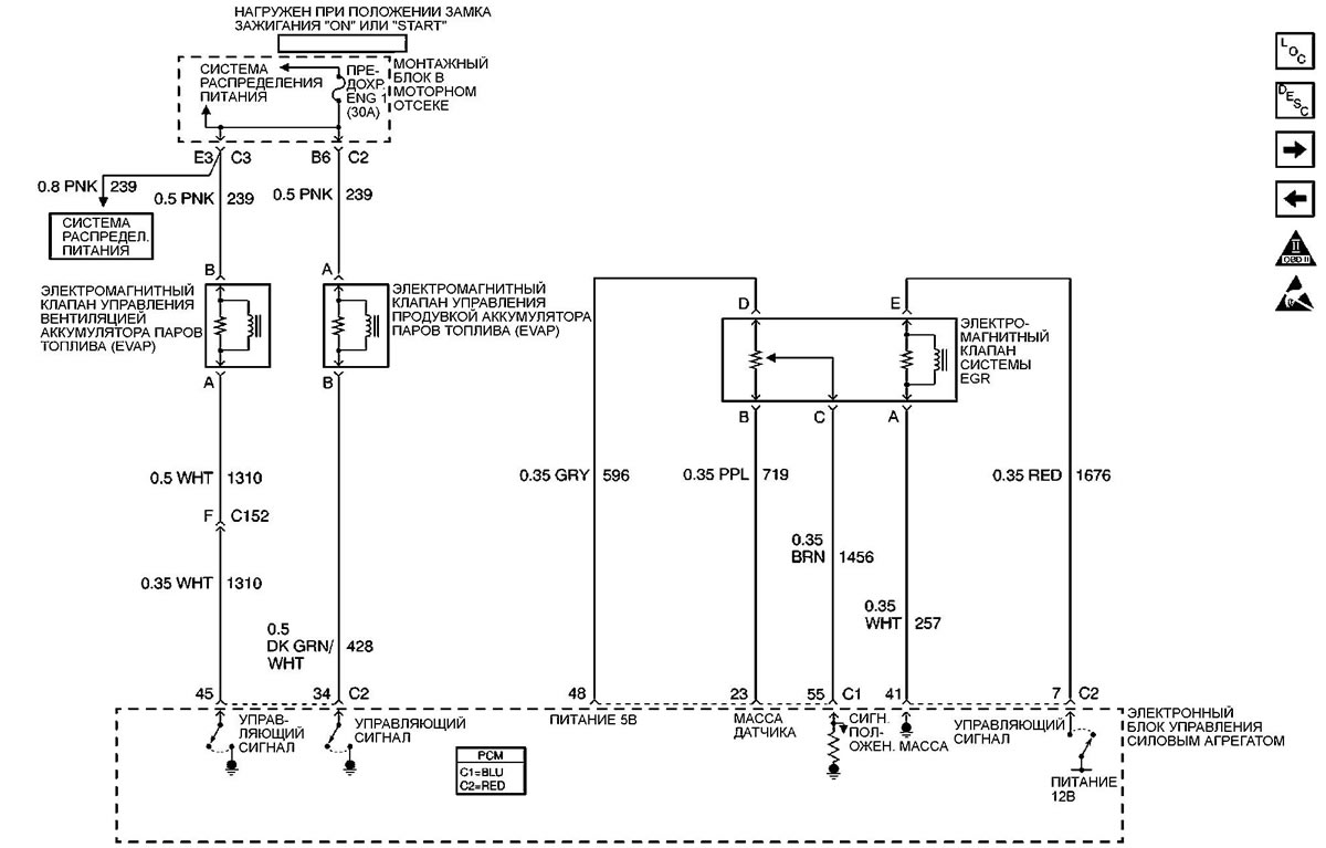
Электромагнитный клапан управления вентиляцией аккумулятора паров топлива (EVAP), электромагнитный клапан управления продувкой аккумулятора паров топлива (EVAP)
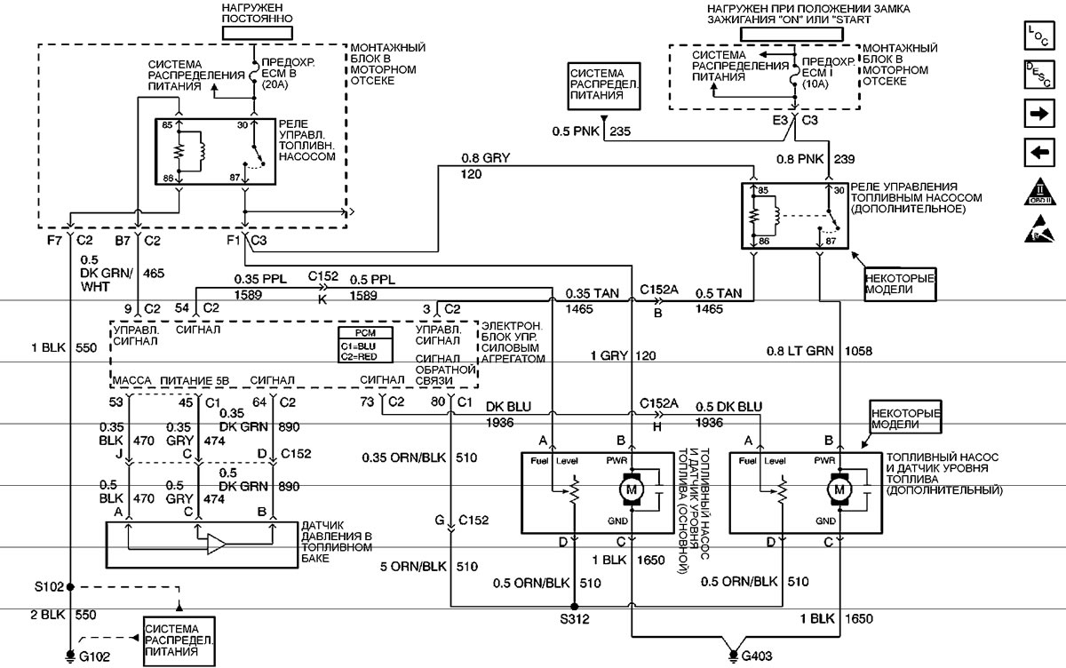
Топливный насос и датчик уровня топлива, датчик давления в топливном баке
Форсунки
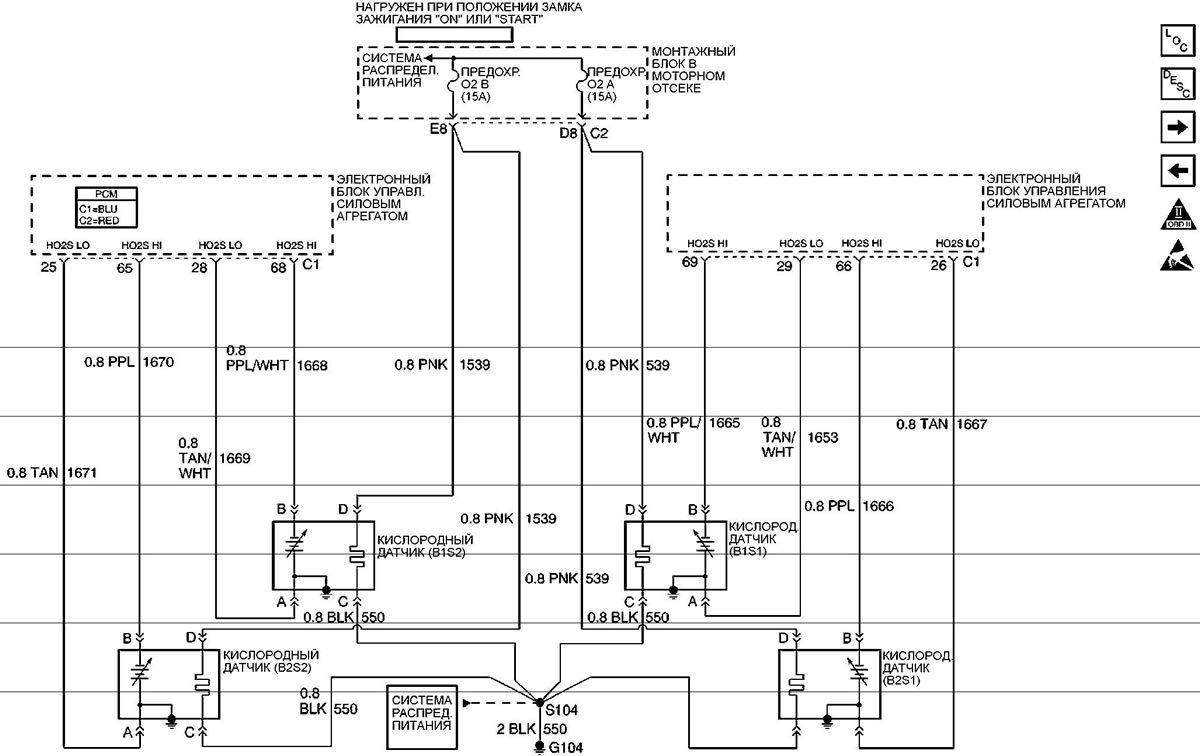
Кислородные датчики
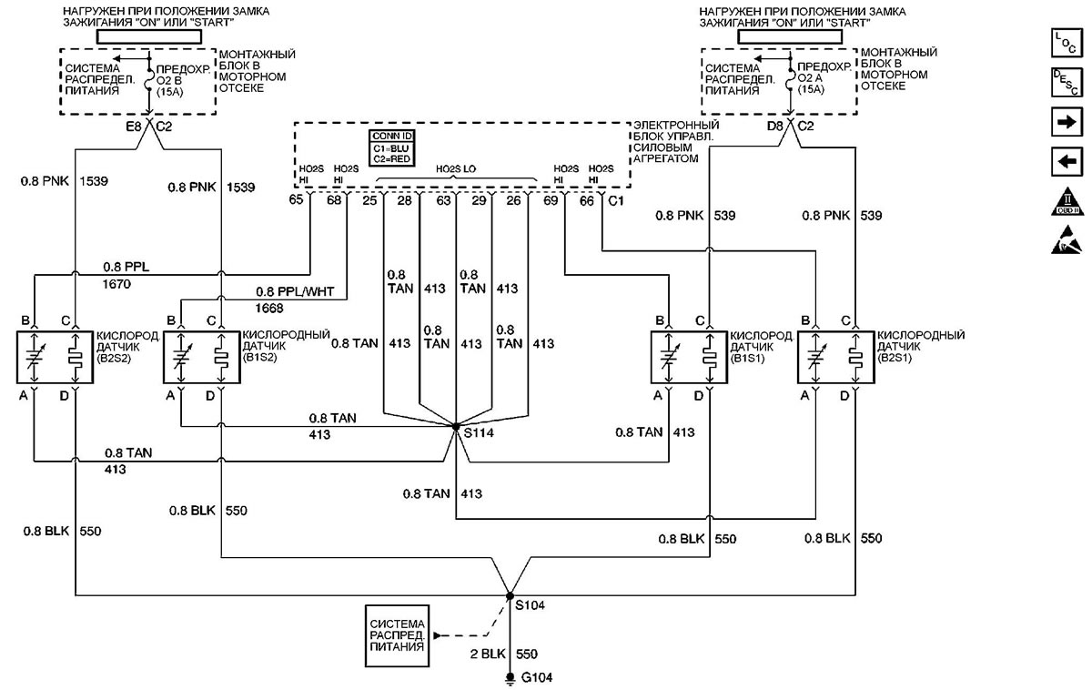
Кислородные датчики (модели для Канады)
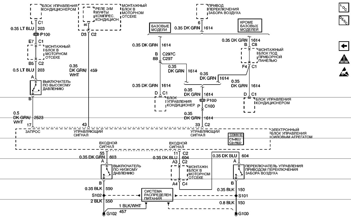
Блок управления кондиционером, выключатели по давлению
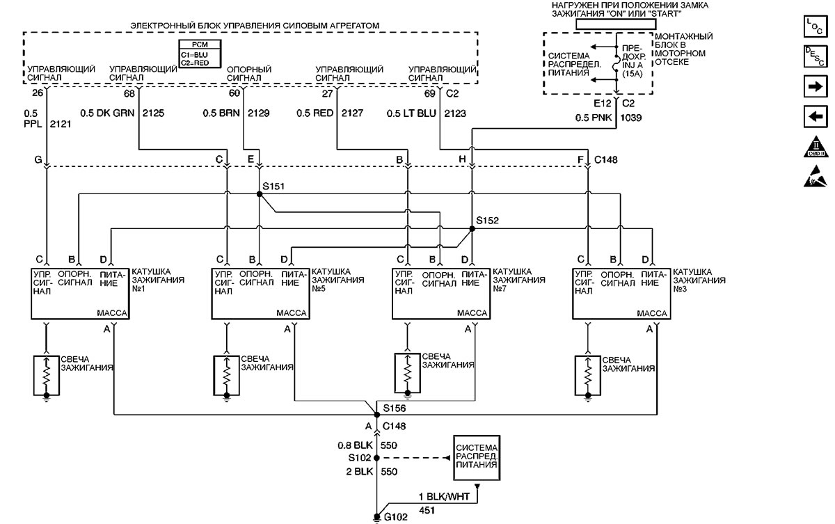
Система зажигания (катушки зажигания 1, 3, 5, 7)
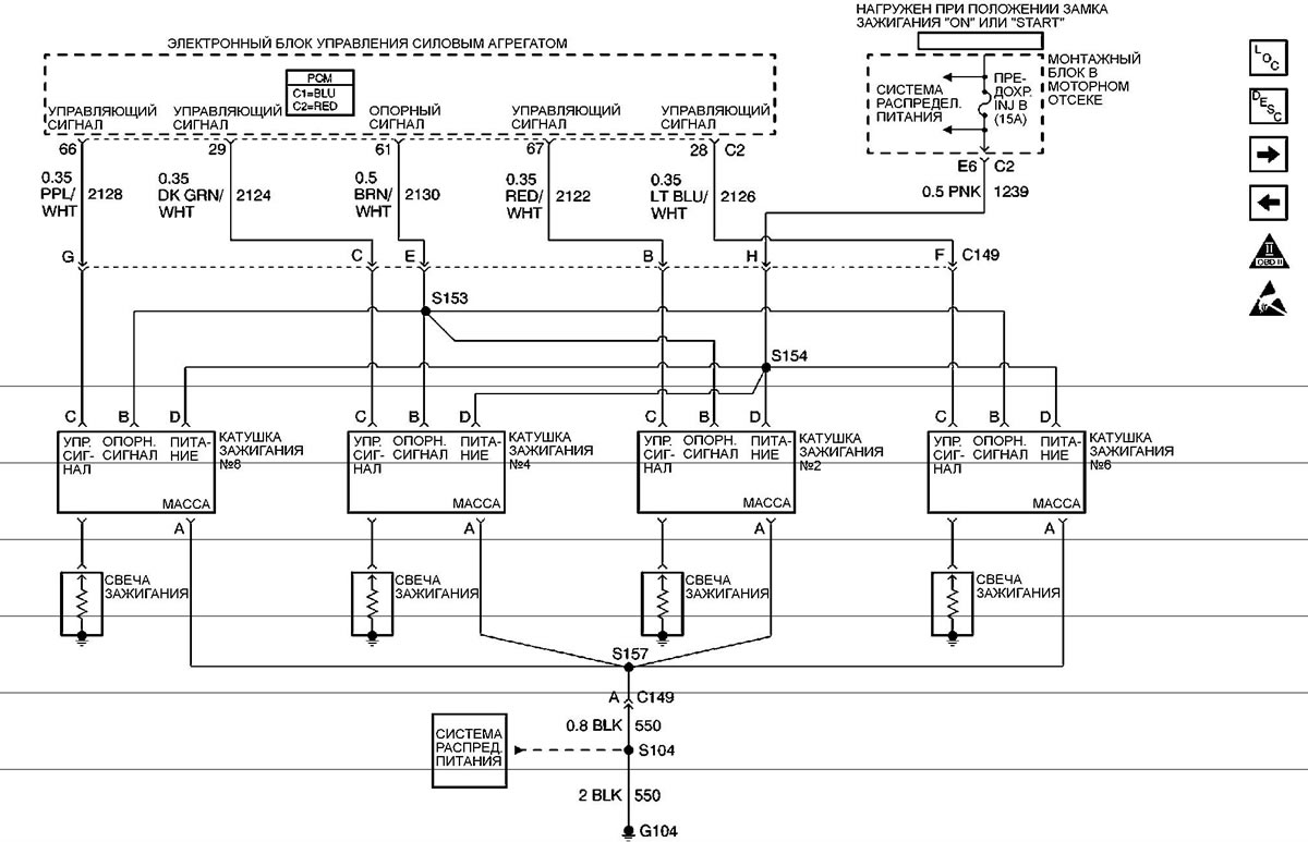
Система зажигания (катушки зажигания 2, 4, 6, 8)
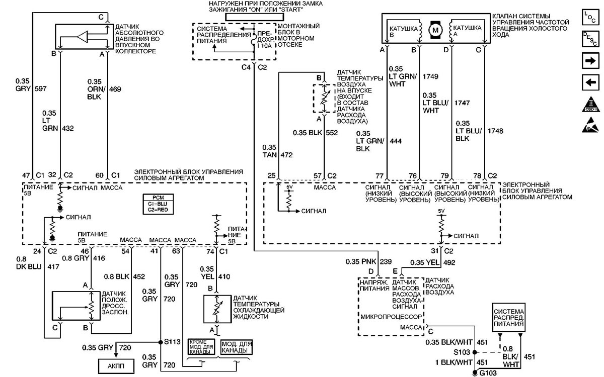
Датчик абсолютного давления во впускном коллекторе, датчик положения дроссельной заслонки, датчик расхода воздуха, клапан системы управления частотой вращения холостого хода, датчик температуры охлаждающей жидкости
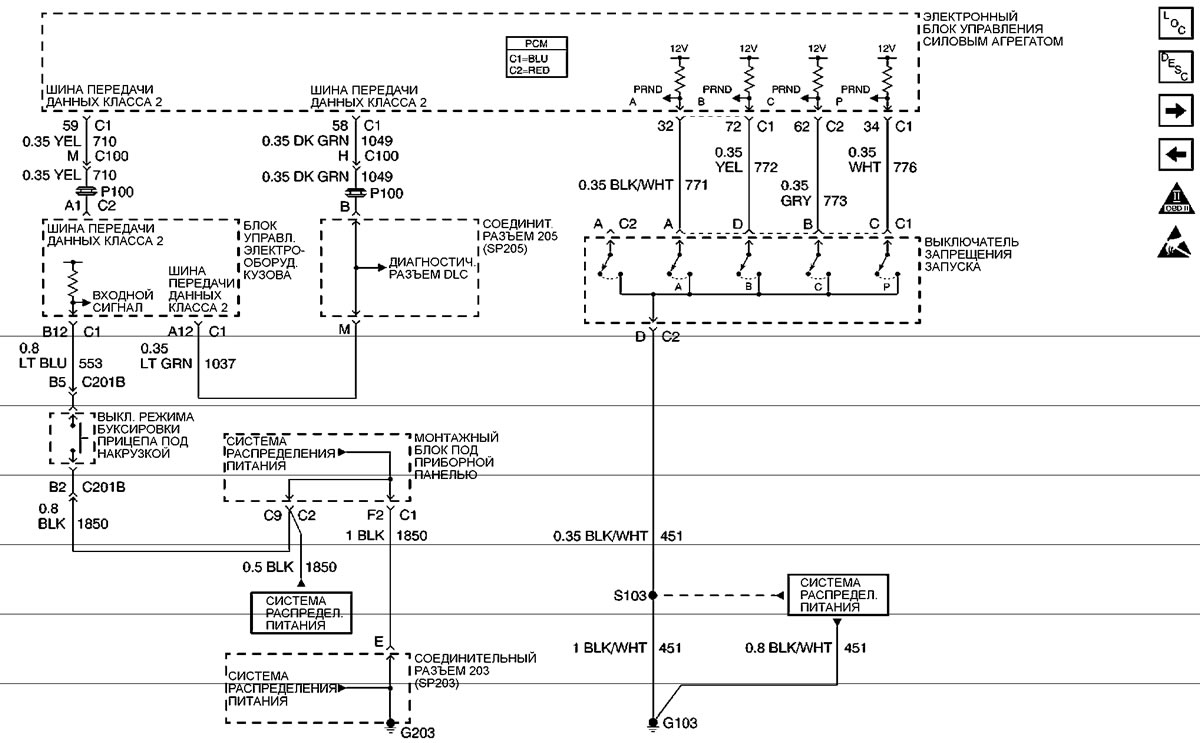
Выключатель режима буксировки прицепа под нагрузкой, выключатель запрещения запуска
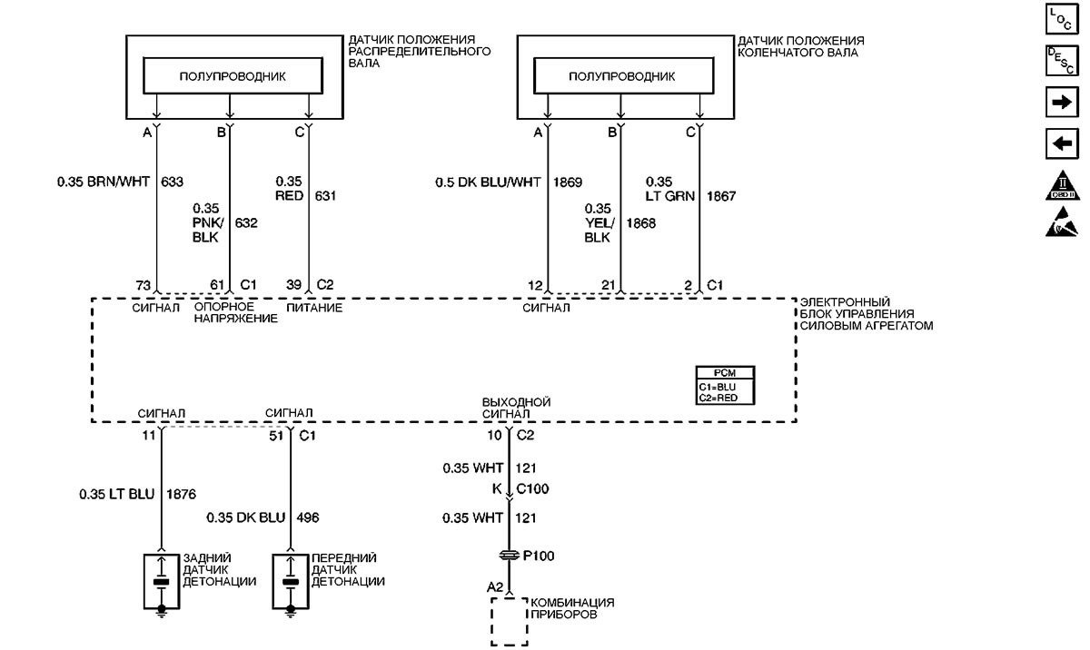
Датчик положения распределительного вала датчик положения коленчатого вала, датчики детонации
Датчик положения дроссельной заслонки, электродвигатель привода дроссельной заслонки
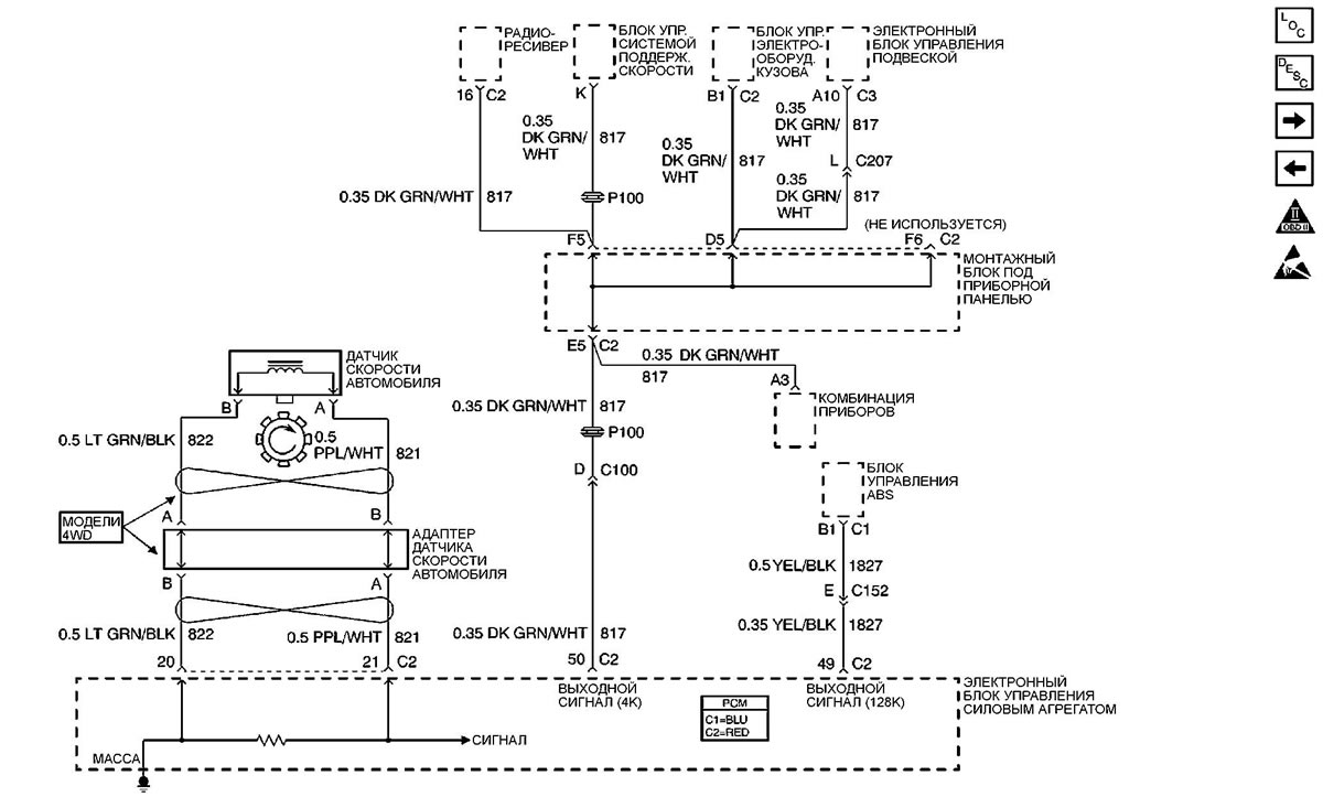
Датчик скорости автомобиля, блок управления ABS, блок управления электрооборудованием кузова
Правила использования электрических схем находятся здесь →
[Первоисточник статьи — сайт: CHEVYMAN]























