Датчики двигателя
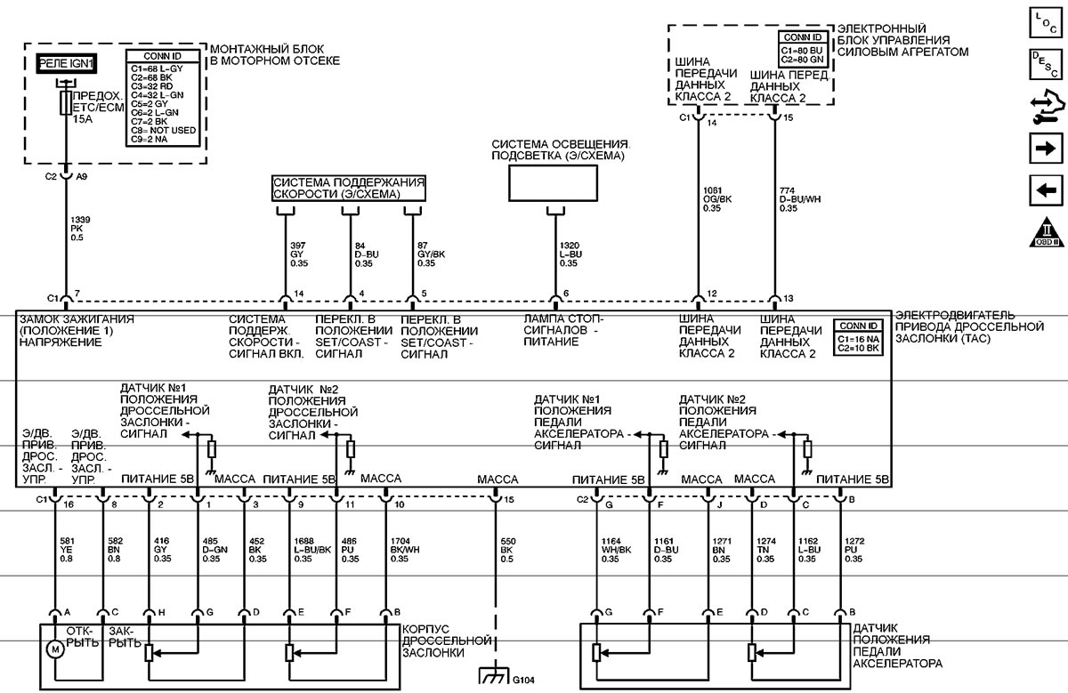
Датчики двигателя - управление дроссельной заслонкой
Датчики двигателя - кислородные датчики
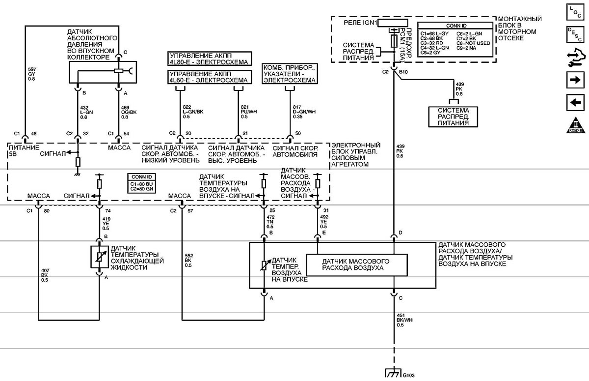
Датчики двигателя (давления, температуры, массового расхода воздуха)
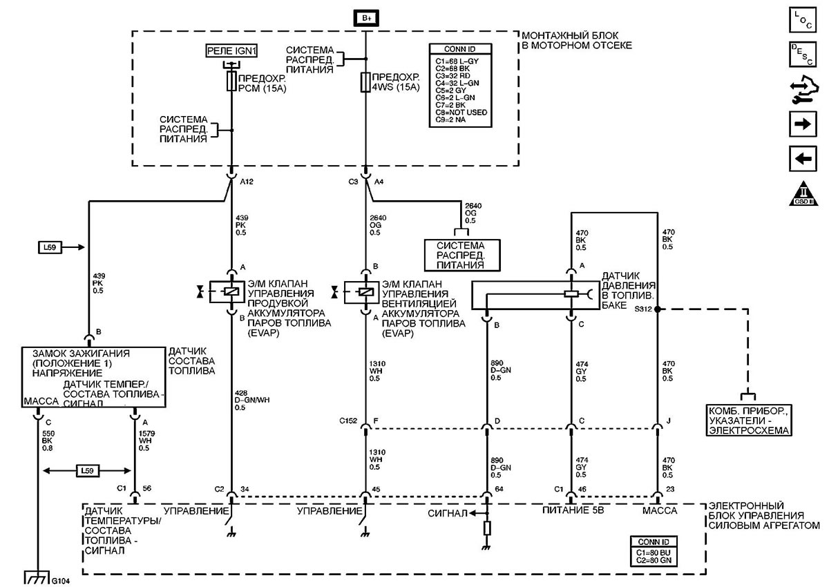
Топливная система - система улавливания паров топлива и система образования топливо-воздушной смеси
Топливная система - форсунки
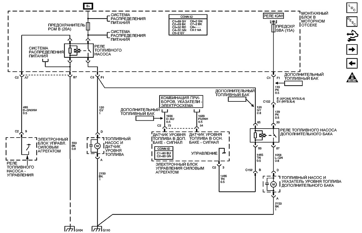
Топливная система - топливный насос
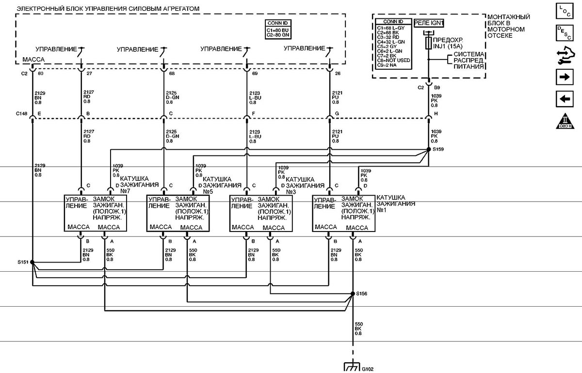
Система зажигания (катушки зажигания 1, 3, 5 и 7)
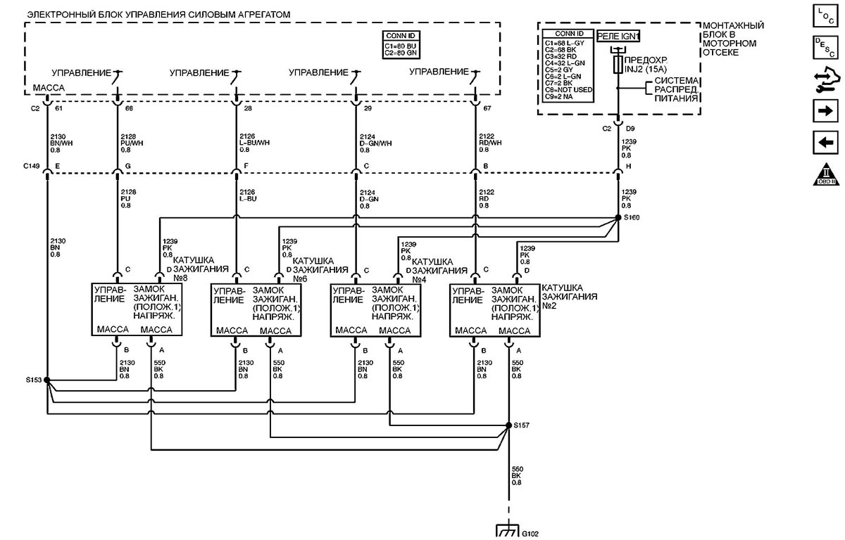
Система зажигания (катушки зажигания 2, 4, 6 и 8)
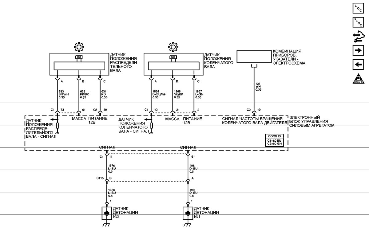
Система зажигания - датчики
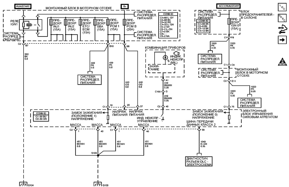
Питание, точки массы, шина передачи данных и индикатор неисправности
Трансмиссия и дополнительные подсистемы
Выключатель по температуре охлаждающей жидкости (L18)

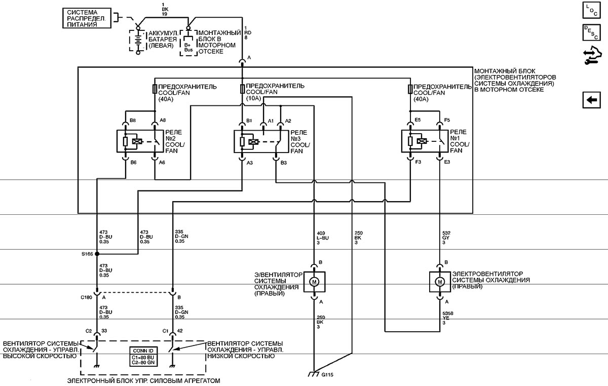
Управление электровентилятором (кроме L18)
Правила использования электрических схем находятся здесь →
Оригинальный текст можно найти на сайте ChevyMan.ru













