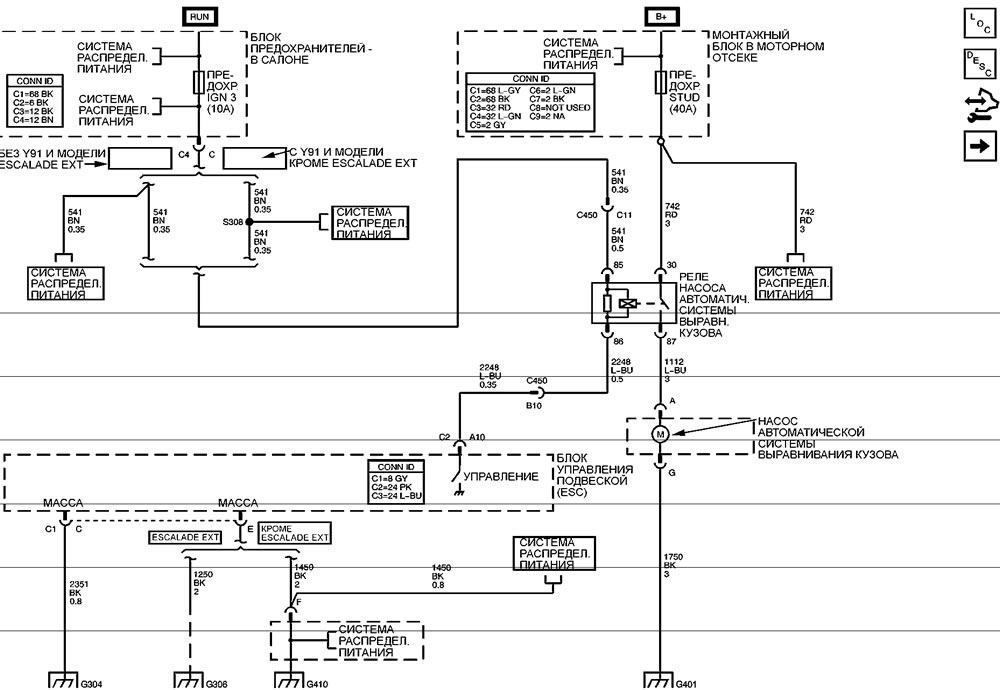
Реле насоса автоматической системы выравнивания кузова
Насос автоматической системы выравнивания кузова, блок управления подвеской
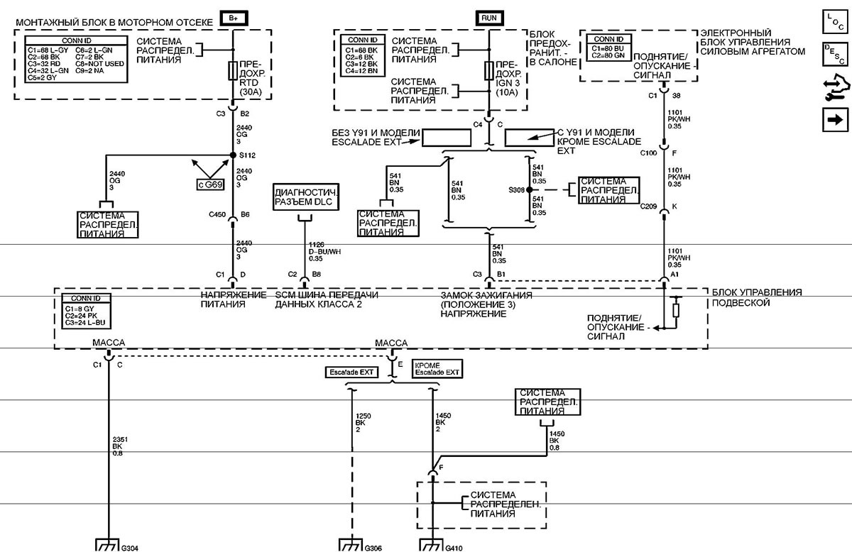
Питание, точки массы, шина передачи данных
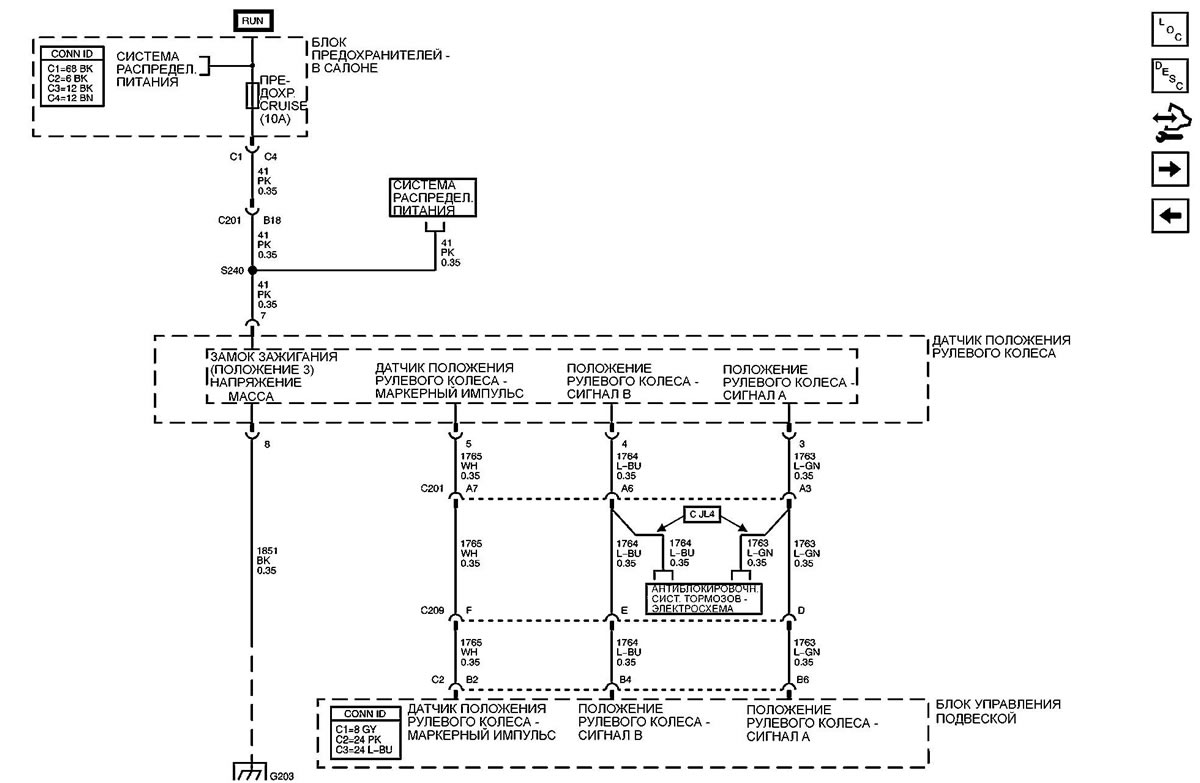
Датчик положения рулевого колеса
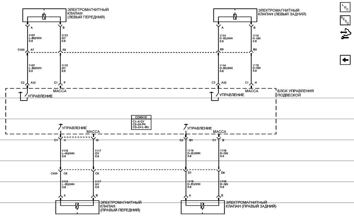
Электромагнитные клапаны амортизаторов
Датчики высоты расположения кузова
Правила использования электрических схем находятся здесь →
Источник статьи доступен на веб-сайте: ChevyMan






