ChevyMan.ru
Mazda Mitsubishi Toyota Land Rover Honda Kia Nissan
Русский English
Български
Беларускі
Український
Српски
Hrvatski
Română
Polski
Slovenský
Magyar
|
Статьи | Карта | Контакты | Поиск:
 
 
 
 
 
 
 
 
Главная   Aveo   Captiva   Cruze   Lacetti   Lanos   Niva   Tahoe   Другие  
Тахо 2 и 3 (2000-2014) Тахо 1 (1992-2000)
  • Главная
  • Тахо
  • 2 (2000-2014)
  • Электрооборудование
  • Электросхемы (с 2007 г.)
  • Блоки управления в дверях

Блоки управления в дверях (Chevrolet Tahoe 2)

            0

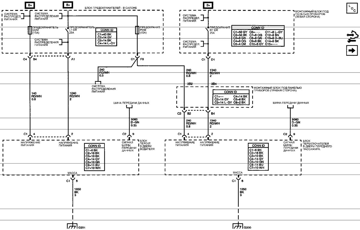
Питание, масса и шина данных




Открыть большую картинку в новой вкладке →


Зеркала заднего вида - управление




Открыть большую картинку в новой вкладке →


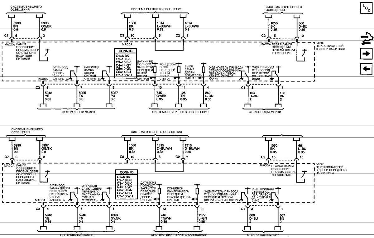
Центральный замок, электропривод стеклоподъемников и освещение - управление




Открыть большую картинку в новой вкладке →


Обогрев сидений - управление




Открыть большую картинку в новой вкладке →


Правила использования электрических схем находятся здесь →

Статья была проверена: Владимир Романников
Эта статья доступна на английском, болгарском, белорусском, украинском, сербском, хорватском, румынском, польском, словацком, венгерском

Поделитесь информацией:

Предыдущие статьи
Тахо 2 и 3: Электросхемы (с 2007 г.)
Следующие статьи

Центральный замок (передние и задние двери)
Зеркало заднего вида со стороны переднего пассажира
Зеркало заднего вида со стороны водителя
Внутреннее зеркало заднего вида
Система внутреннего освещения
Электропривод замка задней двери (Е52 кроме Е61)
Электропривод замка стекла задней двери (Е52)
Электропривод задней двери
Очистители и омыватели лобового стекла
Очиститель и омыватель заднего стекла (Е52)


Смотрите похожие статьи по теме автомобилей Шевроле:
Система вентиляции с блоком ручного управления Шевроле Авео Т300 (2012-2018)
Пульт дистанционного управления Шевроле Каптива 1 (2006-2018)
Замена тросов управления механической коробкой передач Шевроле Круз 1 (2008-2016)
Проверка уровня рабочей жидкости в бачке гидроусилителя рулевого управления Шевроле Лачетти 1 (2002-2009)
Расположение органов управления и приборов Шевроле Ланос Т150 (2002-2009)
Рычаги управления трансмиссией Шевроле Нива 1 (2002-2016)
Проверка жидкости в гидроусилителе рулевого управления (каждые 3000 миль или 3 месяца) Шевроле Люмина 1 (1989-1994)
Ссылка в разных форматах на эту страницу
TextHTMLBB Code


Комментарии посетителей

Комментариев пока нет


Сколько будет 37 + 21 =

       





Тахо 2 и 3 (2000-2014) 
  • Общая информация
  • Характеристики автомобиля
  • Устройство автомобиля
  • Руководство по эксплуатации
  • Техническое обслуживание
  • Силовой агрегат
  • Ремонт двигателя
  • Капремонт двигателя
  • Система охлаждения
  • Система впрыска и управления
  • Выхлопная система
  • Электрооборудование двигателя
  • Трансмиссия
  • АКПП 4L60E, 4L65E, 4L70E
  • АКПП 6L50, 6L80, 6L90
  • Раздаточная коробка
  • Приводные валы и кардан
  • Передний ведущий мост
  • Задний ведущий мост
  • Шасси
  • Подвеска автомобиля
  • Рулевое управление
  • Тормозная система
  • Кузов (до 2007 года)
  • Экстерьер (наружные элементы)
  • Интерьер (внутренние элементы)
  • Двери, замки и окна
  • Отопление и кондиционер
  • Система безопасности (SRS)
  • Кузов (с 2007 года)
  • Экстерьер (наружные элементы)
  • Двери, замки и окна
  • Интерьер (внутренние элементы)
  • Электрооборудование
  • Электроприборы (до 2007 г.)
  • Освещение и лампы (до 2007 г.)
  • Аудиосистема (до 2007 г.)
  • Электроприборы (с 2007 г.)
  • Освещение и лампы (с 2007 г.)
  • Аудиосистема (с 2007 г.)
  • Электросхемы (2000-2005 г.)
  • Электросхемы (2005-2007 г.)
  • Электросхемы (с 2007 г.)

 

Тахо 1 (1992-2000) 
  • Общая информация
  • Инструкция по эксплуатации
  • Техническое обслуживание
  • Силовой агрегат
  • Двигатель в автомобиле
  • Двигатель снят
  • Система охлаждения
  • Отопление и кондиционионер
  • Топливная и выхлопная системы
  • Снижение токсичности
  • Трансмиссия
  • Механическая коробка передач
  • Автоматическая коробка передач
  • Раздаточная коробка
  • Сцепление и приводные валы
  • Шасси
  • Тормозная система
  • Подвеска автомобиля
  • Рулевое управление
  • Кузов
  • Ремонт элементов кузова
  • Электрооборудование
  • Электрика двигателя
  • Оборудование и приборы
  • Электрические схемы

 

Анекдот про автомобили:
покажите ещё один

 

ChevyMan.ru © 2017-2025 · Мобильная версия · Обратная связь · Поиск по сайту · Интересно почитать · Карта сайта: EN BG BY UA RS HR RO PL SK HU

Aveo 2003-2008 · Aveo 2006-2011 · Aveo 2012-2018 · Captiva 2006-2018 · Cruze 2008-2016 · Lacetti 2002-2009 · Lanos 2002-2009 · Niva 2002-2016 · Tahoe 1992-2000 · Tahoe 2000-2014 · Люмина 1 1989-1994 · Трейлблейзер 1 2001-2008 · Орландо 1 2010-2018 · Новости автомобильные · Устройство легковых авто · Техническая эксплуатация авто · Впрыск бензиновых двигателей · Шины легковых автомобилей