Предостережение: чтобы избежать ожога не снимайте крышку радиатора или расширительного бачка на горячем двигателе.
1. Снимите крышку расширительного бачка.
2. Проверьте крышку расширительного бачка, см. выше.
3. Промойте посадочное место крышки расширительного бачка.
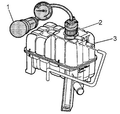
4. Установите тестер системы охлаждения в горловину расширительного бачка. Создайте в системе давление (близко, но не выше номинального давления открытия клапана крышки).
1 - тестер системы охлаждения, 2 - переходник крышки радиатора, 3 - штуцер шланга расширительного бачка
5. Давление в системе должно оставаться постоянным примерно две минуты. Оцените скорость падения давления.
6. При необходимости устраните обнаруженные утечки.
