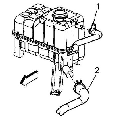
Снятие
1. Осушите систему охлаждения.
2. Снимите хомут шланга расширительного бачка на стороне радиатора.
3. Снимите впускной шланг с патрубка радиатора.

4. Снимите хомут шланга расширительного бачка на стороне расширительного бачка.

5. Снимите шланг расширительного бачка (1) с патрубка бачка.
Установка
6. Установка проводится в обратном порядке.
Оригинал статьи можно найти на ресурсе ChevyMan.ru
