Снятие
Охладитель моторного масла является или неотъемлемой частью радиатора или отдельным узлом, установленным перед радиатором.
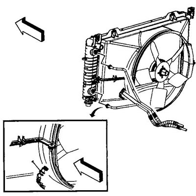
1. Отсоедините быстрые разъемы трубок охладителя.
2. На двигателе L76 (6.0 л) и если установлено, выполните следующие операции:
- откройте клипсу фиксации шлангов охладителя масла, расположенные на нижней части диффузора вентилятора;

- выньте шланги охладителя масла из клипс.

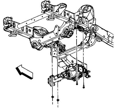
3. Поднимите автомобиль и подведите под раму стойки безопасности.
4. На двигателе LY6 (6.0 л) освободите шланги охладителя масла из клипс поддержки.
Внимание: при установке убедитесь в том, что устанавливаемый шланг (трубка) охладителя масла имеет на конце пластмассовую крышку быстрого разъема. Если пластмассовой крышки нет или она повреждена, установите новую крышку. Установите крышку до установки шланга (трубки).

5. Подведите домкрат под заднюю часть автомобиля.
6. Если установлено, снимите защиту двигателя.
7. Если установлено, снимите щиток картера переднего дифференциала.
8. На автомобилях серий 1500 и 2500 создайте временную опору (домкрат) для картера переднего дифференциала.
9. На автомобилях серии 1500 отверните гайки крепления правой стороны картера дифференциала.

10. Отверните болты крепления левой стороны картера дифференциала. Момент затяжки 100 Н·м.
11. Опустите дифференциал.
12. На автомобилях серии 2500 отверните гайки крепления правой стороны картера дифференциала. Момент затяжки 100 Н·м.

13. Снимите болт и гайку верхней опоры картера дифференциала.
14. Снимите болт и гайку нижней опоры картера дифференциала.

Примечание: при установке сначала затяните болты и гайки опор от руки, затяните боковой крепеж, затем затяните крепеж опор.
15. На двигателе L76 (6.0 л) выполните следующее:
- а) опустите дифференциал.
- б) отверните болты (2) крепления адаптера шлангов охладителя масла. Момент затяжки 12 Н·м.

- в) снимите сборку шлангов и прокладку. выбросите прокладку.
- г) проверьте состояние фитингов, разъемов и шлангов. Ищите признаки повреждений или деформации.
16. На двигателе LY6 (6.0 л) выполните следующее:
- а) Отверните болт (1) кронштейна шланга охладителя масла, см. рисунок к п. 15. Момент затяжки 25 Н·м.
- б) Выполните операции по п. 156, 15в и 15г.
Установка
17. Установка проводится в обратном порядке.
Статья была перепечатана с сайта CHEVYMAN.RU
