Снятие
1. Поднимите автомобиль и подведите под раму стойки безопасности.
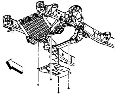
2. Если установлена, отверните болты крепления защиты двигателя, снимите защиту.

Момент затяжки 28 Н·м.
3. Снимите поперечину опоры АКПП.
4. Выполните операции по п.п. 3-18 раздела "Снятие и установка изолятора каталитического нейтрализатора".
5. Отверните гайки крепления сборки нейтрализаторов к глушителю. Момент затяжки 45 Н·м.

6. Снимите кислородный датчик.
7. Отверните гайки (1) крепления каталитического нейтрализатора к выпускному коллектору.

8. Отделите каталитические нейтрализаторы от выпускных коллекторов.
9. Снимите сборку нейтрализаторов с глушителя.
10. При замене сборки каталитических нейтрализаторов выполните следующие операции, в противном случае приступайте к установке сборки.
11. Снимите изоляторы нейтрализаторов.
12. Снимите кислородные датчики (1-5).

Момент затяжки 42 Н·м.
Установка
13. Установка в обратном порядке.
Внимание: перед установкой тщательно прочистите резьбу датчиков и их посадочных мест, затем на резьбу кислородных датчиков нанесите специальный антипригарный компаунд.
Статья была перепечатана с сайта CHEVYMAN.RU
