Снятие
1. Поднимите автомобиль и подведите под раму стойки безопасности.
2. Если установлена, отверните болты крепления защиты двигателя, снимите защиту.

Момент затяжки 28 Н·м.
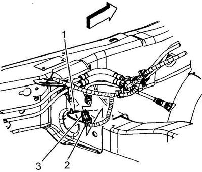
3. Снимите держатель (2) разъема правого переднего пучка проводов.

4. Отсоедините разъем правого переднего кислородного датчика от разъема (1) пучка проводов двигателя.
5. Снимите держатель (5) разъема (4) правого заднего пучка проводов.
6. Отсоедините разъем (3) правого заднего кислородного датчика.
7. Отсоедините клипсу (6) проводов правого заднего кислородного датчика от пучка проводов двигателя.
8. Снимите держатель (1) разъема левого заднего пучка проводов.

9. Отсоедините разъем (3) левого заднего кислородного датчика.
10. На автомобилях с АКПП 4L60-E и 4L70-E выполните операции п.п. 11-13, на автомобилях с АКПП 6L80-E переходите кп. 14.
11. Снимите фиксатор разъема левого переднего пучка проводов.
12. Отсоедините разъем (2) левого переднего кислородного датчика.

13. Отсоедините клипсу (1) проводов левого переднего кислородного датчика от клипсы поддержки топливной трубки.
14. Снимите фиксатор разъема (2) левого переднего пучка проводов.

15. Снимите клипсу (1) пучка проводов двигателя с клипсы поддержки топливной трубки.
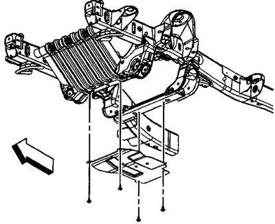
16. Отсоедините разъем (3) левого переднего кислородного датчика.
17. Подведите под сборку нейтрализаторов временную опору (домкрат).
18. Снимите кислородный датчик.
19. Отверните гайки (1) крепления каталитического нейтрализатора к выпускному коллектору. Момент затяжки 50 Н·м.

20. Отделите сборку каталитических нейтрализаторов от выпускных коллекторов.
21. Опустите сборку каталитических нейтрализаторов.
22. Снимите изолятор (2) или (3).
Установка
23. Установка проводится в обратном порядке.
