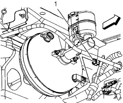
Снятие
1. Отсоедините разъем (1) датчика разрежения.

2. Снимите датчик разрежения с вакуумного усилителя тормозов.

3. Удалите уплотнительное кольцо датчика.
Установка
4. Установка проводится в обратном порядке.
Примечание: для облегчения установки уплотнительного кольца датчика разрежения смажьте его чистым моторным маслом.
