Снятие и установка
1. Поддомкратьте автомобиль и установите под раму стойки безопасности.
2. Снимите поддон и фильтр рабочей жидкости АКПП.
3. Снимите блок клапанов в сборе.
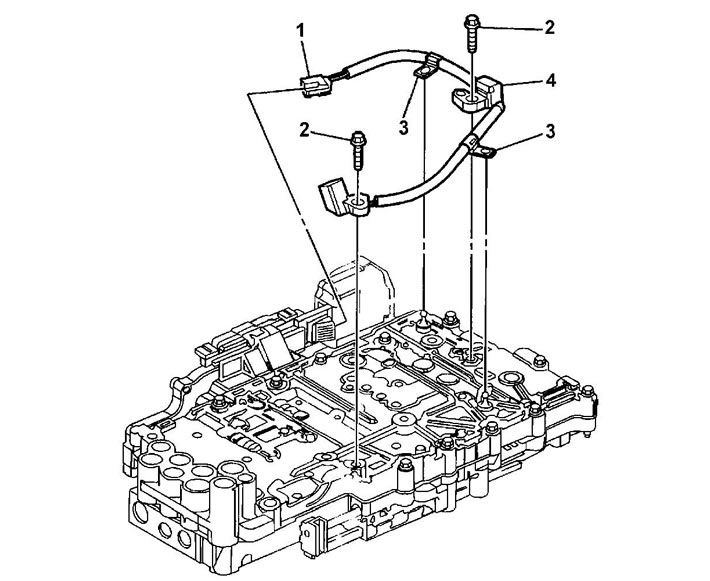
4. Отсоедините разъем датчика скорости.
5. Отверните болты крепления датчиков частоты вращения. Момент затяжки 12 Н·м.
6. Отсоедините фиксаторы датчиков от блока клапанов.
Примечание: замените фиксаторы на новые при наличии дефекта.
7. Снимите датчики частоты вращения входного/выходного вала АКПП.
Датчики частоты вращения входного/выходного вала АКПП. 1 - разъем датчика скорости, 2 - болт, 3 - фиксатор, 4 - датчики частоты вращения.
Оригинал статьи можно найти на ресурсе «ChevyMan»
