Снятие и установка
Примечание:
- Перед проведением работ отсоедините провод от отрицательной клеммы аккумуляторной батареи.
- Установка производится в порядке, обратном снятию.
1. Поддомкратьте автомобиль и установите под раму стойки безопасности.
2. Снимите поддон АКПП.
3. Отсоедините разъем коробки передач.
- а) Разблокируйте фиксатор (1) разъема.
- б) Отсоедините разъем (2), используя специальный съемник и оправку. При установке ширина от картера коробки передач до концевой поверхности разъема должна соответствовать номинальному значению. Номинальное значение 14-16 мм.
![]() | ![]() |
4. Отверните болт крепления пружины ручного фиксатора. Момент затяжки 12 Н·м.
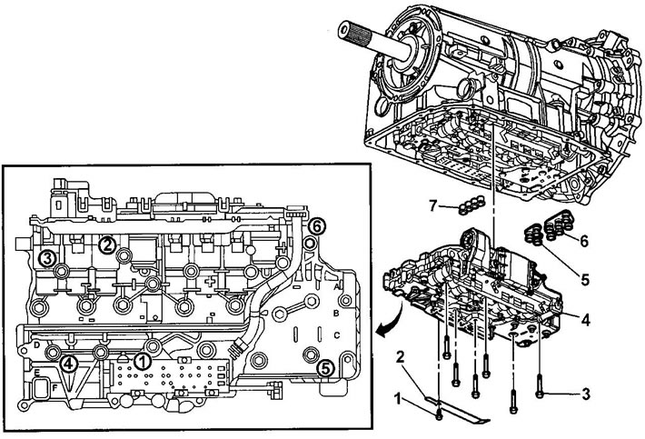
5. Отверните шесть болтов крепления блока клапанов. Момент затяжки 8 Н·м.
Внимание:
- Отворачивайте только те болты, которые показаны на рисунке "Снятие блока клапанов (1)".
- Порядок установки болтов указан на сборочном рисунке.
Снятие блока клапанов (1). 1 - болт, 2 - пружина ручного фиксатора, 3 - болты, 4 - блок клапанов, 5, 6 - сальник насоса оабочей жидкости, 7 - сальник центрального проточного канала рабочей жидкости.
6. Снимите блок клапанов в сборе.
7. Снимите сальники насоса рабочей жидкости АКПП.
8. Снимите сальник центрального проточного канала рабочей жидкости.
Внимание: после замены сальника настройки адаптивной системы АКПП будут удалены.
9. Разблокируйте фиксатор и отсоедините разъем выключателя запрещения запуска двигателя.
10. Отверните болты крепления. Момент затяжки 8 Н·м.
11. Отверните девять болтов крепления блока клапанов. Момент затяжки 8 Н·м.
Внимание: порядок установки болтов указан на сборочном рисунке "Снятие блока клапанов (2)".
Снятие блока клапанов (2). 1 - разъем выключателя запрещения запуска двигателя, 2 - болты крепления блока управления АКПП, 3, 4 - болт, 5 - блок электромагнитных клапанов, 6 - фильтрующая пластина.
12. Снимите блок электромагнитных клапанов и блок управления АКПП.
Внимание: проверьте состояние платы фильтрующей пластины. Неисправная плата не может обеспечить необходимую фильтрацию рабочей жидкости АКПП.
13. Снимите фильтрующую пластину.
14. При необходимости снимите клапаны управления АКПП.
Примечание: расположение электромагнитных клапанов показано на рисунке "Расположение клапанов".
Расположение клапанов. 1 - клапан управления давлением в основной магистрали, 2 - клапан блокировки гидротрансформатора, 3 - клапан переключения №2, 4 - разъем блока управления, 5 - клапан управления давлением №3, 6 - датчик давления рабочей жидкости АКПП №5, 7 - клапан управления давлением №4, 8 - клапан управления давлением №2, 9 - датчик давления рабочей жидкости АКПП №3, 10 - датчик давления рабочей жидкости АКПП №1, 11 - датчик давления рабочей жидкости АКПП №4, 12 - клапан управления давлением №5, 13 - клапан переключения №1.
Статья была заимствована с сайта ChevyMan


