Предостережение: если жидкость АКПП находится при рабочей температуре, примите меры предохранения от ожога жидкостью.
Внимание: используйте только рабочую жидкость DEXRON VI. Смешение с жидкостью другого типа может привести к поломке коробки передач.
1. Поддомкратьте автомобиль и установите под раму стойки безопасности.
2. Подведите под поддон АКПП емкость для сбора жидкости.
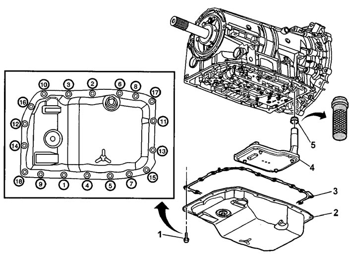
Замена рабочей жидкости и фильтра АКПП. 1 - болты крепления поддона, 2 - поддон рабочей жидкости, 3 - прокладка, 4 - фильтр рабочей жидкости, 5 - уплотнительное кольцо.
3. Отверните 18 болтов (1) крепления поддона рабочей жидкости.
4. Осторожно сбейте поддон (2) резиновым молотком, наклоните его и слейте рабочую жидкость.

5. Снимите резиновую прокладку (3) с поддона.
6. Снимите фильтр (4).
Примечание: вытягивайте фильтр по прямой, без перекосов. Не сгибайте и не поворачивайте его.
7. Снимите кольцевое уплотнение (5) фильтра, используя отвертку или плоскогубцы.
8. Проверьте цвет жидкости.
- а) Рабочая жидкость АКПП должна быть красного или темно-коричневого цвета.
- б) Если жидкость имеет очень темный или черный цвет и имеет горелый запах, то проверьте ее на загрязнение металлическими частицами (небольшое количество частиц не является неисправностью). При наличии большого количества частиц промойте охладитель и трубки охладителя рабочей жидкости и выполните капитальный ремонт коробки передач. При отсутствии неисправностей коробки передач, замените фильтр рабочей жидкости, охладитель и промойте трубки охладителя.
- в) Если рабочая жидкость мутная, "молочная" или выглядит загрязненной, это указывает на наличие охлаждающей жидкости двигателя или воды в АКПП.
9. Смажьте новое уплотнение рабочей жидкостью АКПП и установите его в фильтр рабочей жидкости.
10. Установите новый фильтр на блок клапанов.
11. Установите поддон и заверните болты крепления в порядке, указанном на сборочном рисунке "Замена рабочей жидкости и фильтра АКПП". Момент затяжки 9 Н·м.
12. Опустите автомобиль.
13. Залейте новую рабочую жидкость АКПП.
- Тип рабочей жидкости — DEXRON VI
- Объем заливаемой жидкости:
- снятие блока клапанов — 5,7 л
- капитальный ремонт — 9,9 л
- полная замена АКПП — 11,7 л
