ChevyMan.ru
Mazda Mitsubishi Toyota Land Rover Honda Kia Nissan
Русский English
Български
Беларускі
Український
Српски
Hrvatski
Română
Polski
Slovenský
Magyar
|
Статьи | Карта | Контакты |
 
 
 
 
 
 
 
 
Главная   Aveo   Captiva   Cruze   Lacetti   Lanos   Niva   Tahoe   Другие  
Орландо 1 (2010-2018) Трейлблейзер 1 (2001-2008, бензин) Люмина 1 (1989-1994)
  • Главная
  • Шевроле
  • Орландо 1
  • Электрооборудование
  • Электрические схемы
  • Указатели поворота и аварийная сигнализация

Указатели поворота и аварийная сигнализация (Chevrolet Orlando 1)

            0

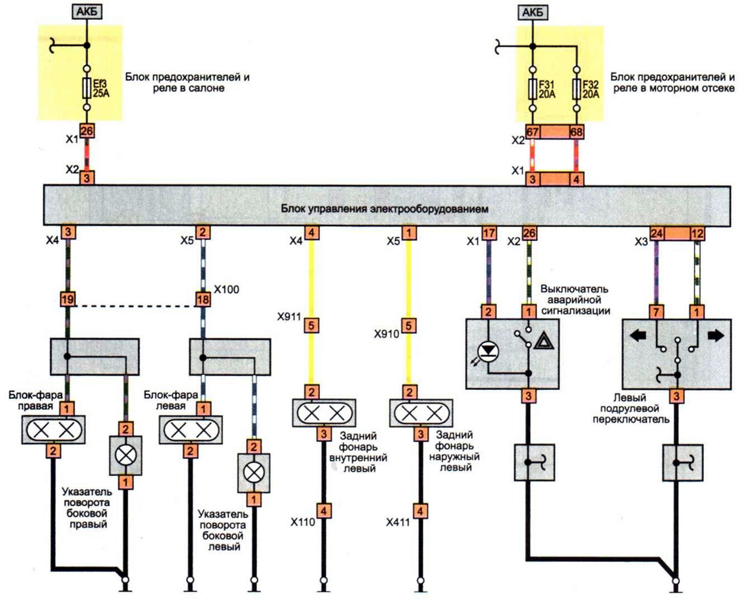
Схема 7. Указатели поворота и аварийная сигнализация



Схема 7. Указатели поворота и аварийная сигнализация
Открыть большую картинку в новой вкладке →


[Оригинальная версия статьи на сайте: «chevyman.ru»]

Статья была проверена: Владимир Романников
Эта статья доступна на английском, болгарском, белорусском, украинском, сербском, хорватском, румынском, польском, словацком, венгерском

Поделитесь информацией:

Предыдущие статьи
Орландо 1: Электрические схемы
Следующие статьи

Передние противотуманные фары, задний противотуманный фонарь
Ближний и дальний свет фар, электрокорректор фар
Система управления двигателем
Система электроснабжения
Система запуска двигателя
Габаритное освещение, фонари освещения номерного знака
Сигналы торможения фонарь света заднего хода
Звуковой сигнал
Прикуриватель, розетки питания
Стеклоочистители и стеклоомыватели


Смотрите похожие статьи по теме автомобилей Шевроле:
Указатели поворотов и аварийная сигнализация Шевроле Авео Т200 (2003-2008)
Аварийная световая сигнализация Шевроле Каптива 1 (2006-2018)
Освещение, световая и звуковая сигнализация Шевроле Круз 1 (2008-2016)
Снятие бокового указателя поворота, замена лампы Шевроле Лачетти 1 (2002-2009)
Снятие бокового указателя поворота, замена лампы Шевроле Ланос Т150 (2002-2009)
Освещение и световая сигнализация: особенности устройства Шевроле Нива 1 (2002-2016)
Прерыватель указателей поворота и аварийной сигнализации — проверка и замена Шевроле Тахо 1 (1992-2000)
Ссылка в разных форматах на эту страницу


Комментарии посетителей

Комментариев пока нет


Сколько будет 15 + 47 =

       



Орландо 1 (2010-2018) 
  • Общая информация
  • Введение в руководство
  • Руководство по эксплуатации
  • Техническое обслуживание
  • Диагностика неисправностей
  • Силовой агрегат
  • Ремонт двигателя
  • Система питания и управления
  • Система охлаждения и смазки
  • Система зажигания
  • Трансмиссия
  • Сцепление
  • Коробка передач
  • Приводные валы
  • Шасси
  • Подвеска автомобиля
  • Рулевое управление
  • Тормозная система
  • Кузов
  • Экстерьер (наружные элементы)
  • Двери, замки и окна
  • Электрооборудование
  • Оборудование и приборы
  • Стеклоочистители и омыватели
  • Силовые устройства
  • Электрические схемы

 

Трейлблейзер 1 (2001-2008) 
  • Общая информация
  • Руководство по эксплуатации
  • Диагностика неисправностей
  • Техническое обслуживание
  • Силовой агрегат
  • Двигатель в автомобиле
  • Капремонт двигателей
  • Охлаждение и отопление
  • Система питания и выхлопа
  • Электрооборудование двигателя
  • Управление двигателем
  • Трансмиссия
  • Автоматическая коробка
  • Раздаточная коробка
  • Приводные валы и кардан
  • Шасси
  • Тормозная система
  • Подвеска автомобиля
  • Рулевое управление
  • Кузов
  • Экстерьер (наружные элементы)
  • Интерьер (внутренние элементы)
  • Двери, замки и окна
  • Электрооборудование
  • Оборудование и приборы
  • Электрические схемы

 

Люмина 1 (1989-1994) 
  • Общая информация
  • Техническое обслуживание
  • Силовой агрегат
  • Двигатель V6 объемом 3.1 л
  • Двигатель V6 объемом 3.8 л
  • Капремонт двигателей
  • Система охлаждения
  • Система питания и выхлопа
  • Впрыск топлива
  • Электрооборудование двигателя
  • Снижение токсичности ОГ
  • Трансмиссия
  • Автоматическая коробка
  • Приводные валы
  • Шасси
  • Тормозная система
  • Подвеска автомобиля
  • Рулевое управление
  • Кузов
  • Отопление и кондиционирование
  • Ремонт элементов кузова
  • Двери, крышки и окна
  • Интерьер (внутренние элементы)
  • Электрооборудование
  • Оборудование и приборы
  • Электрические схемы

 

Анекдот про автомобили:
покажите ещё один

 

ChevyMan.ru © 2017-2026 · Мобильная версия · Обратная связь · Поиск по сайту · Интересно почитать · Карта сайта: EN BG BY UA RS HR RO PL SK HU

Aveo 2003-2008 · Aveo 2006-2011 · Aveo 2012-2018 · Captiva 2006-2018 · Cruze 2008-2016 · Lacetti 2002-2009 · Lanos 2002-2009 · Niva 2002-2016 · Tahoe 1992-2000 · Tahoe 2000-2014 · Люмина 1 1989-1994 · Трейлблейзер 1 2001-2008 · Орландо 1 2010-2018 · Новости автомобильные · Устройство легковых авто · Техническая эксплуатация авто · Впрыск бензиновых двигателей · Шины легковых автомобилей
🛡️ Для вашей безопасности и улучшения сервиса сайт использует cookie-файлы. Вы можете отключить их в браузере.