ChevyMan.ru
Mazda Mitsubishi Toyota Land Rover Honda Kia Nissan
Русский English
Български
Беларускі
Український
Српски
Hrvatski
Română
Polski
Slovenský
Magyar
|
Статьи | Карта | Контакты | Поиск:
 
 
 
 
 
 
 
 
Главная   Aveo   Captiva   Cruze   Lacetti   Lanos   Niva   Tahoe   Другие  
Орландо 1 (2010-2018) Трейлблейзер 1 (2001-2008, бензин) Люмина 1 (1989-1994)
  • Главная
  • Шевроле
  • Трейлблейзер 1
  • Электрооборудование
  • Электрические схемы
  • Аудиосистема автомобиля

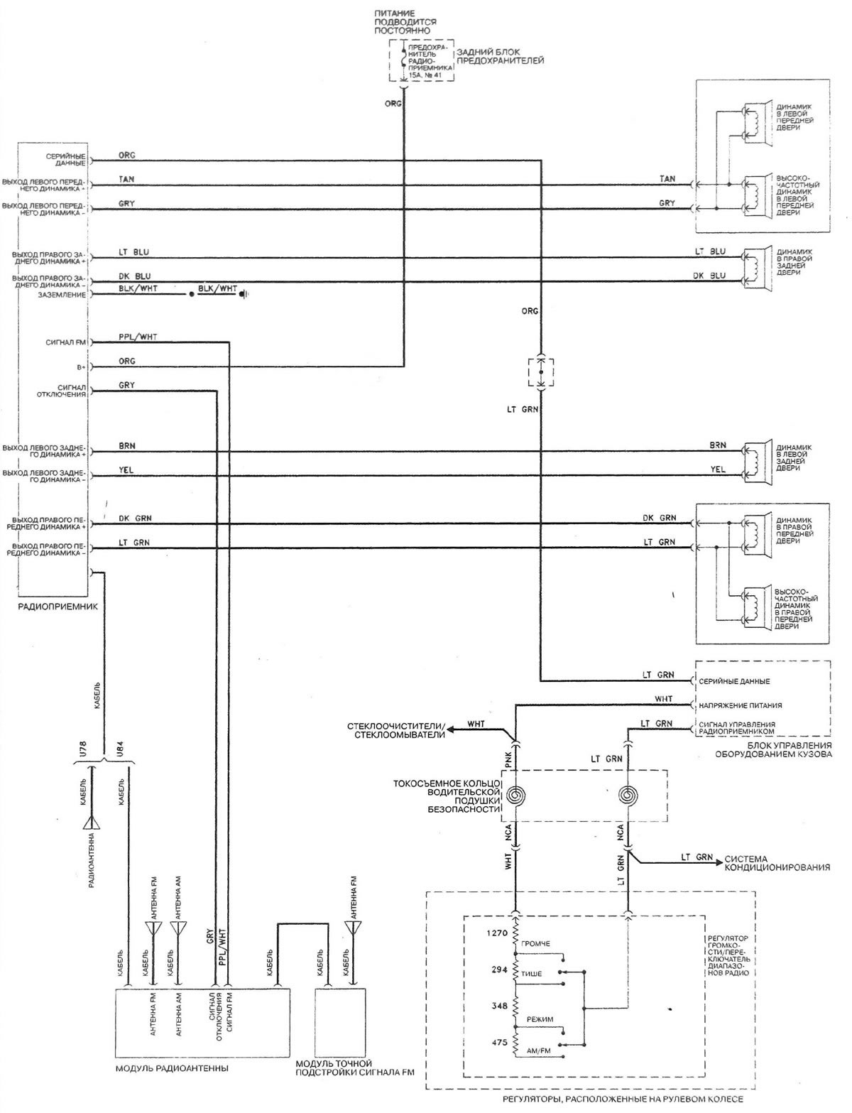
Аудиосистема автомобиля (Chevrolet Trailblazer 1)

            0

Аудиосистема автомобиля




Открыть большую картинку в новой вкладке →


(Оригинальный текст можно найти на сайте «CHEVYMAN.ru»)

Статья была проверена: Владимир Романников
Эта статья доступна на английском, болгарском, белорусском, украинском, сербском, хорватском, румынском, польском, словацком, венгерском

Поделитесь информацией:

Предыдущие статьи
Трейлблейзер 1: Электрические схемы
Следующие статьи

Система — Круиз-контроль
Автоматические замки дверей
Стеклоподъемники автомобиля
Система отопления и кондиционирования ручной настройки
Автоматическая система отопления и кондиционирования


Смотрите похожие статьи по теме автомобилей Шевроле:
Паспортные данные автомобиля Шевроле Авео Т300 (2012-2018)
Начало движения автомобиля Шевроле Каптива 1 (2006-2018)
Схема 10. Аудиосистема автомобиля Шевроле Круз 1 (2008-2016)
Буксировка автомобиля Шевроле Лачетти 1 (2002-2009)
Габаритные размеры автомобиля Шевроле Ланос Шевроле Ланос Т150 (2002-2009)
Ключи для автомобиля Шевроле Нива 1 (2002-2016)
Буксировка автомобиля Шевроле Тахо 1 (1992-2000)
Ссылка в разных форматах на эту страницу
TextHTMLBB Code


Комментарии посетителей

Комментариев пока нет


Сколько будет 35 + 43 =

       





Орландо 1 (2010-2018) 
  • Общая информация
  • Введение в руководство
  • Руководство по эксплуатации
  • Техническое обслуживание
  • Диагностика неисправностей
  • Силовой агрегат
  • Ремонт двигателя
  • Система питания и управления
  • Система охлаждения и смазки
  • Система зажигания
  • Трансмиссия
  • Сцепление
  • Коробка передач
  • Приводные валы
  • Шасси
  • Подвеска автомобиля
  • Рулевое управление
  • Тормозная система
  • Кузов
  • Экстерьер (наружные элементы)
  • Двери, замки и окна
  • Электрооборудование
  • Оборудование и приборы
  • Стеклоочистители и омыватели
  • Силовые устройства
  • Электрические схемы

 

Трейлблейзер 1 (2001-2008) 
  • Общая информация
  • Руководство по эксплуатации
  • Диагностика неисправностей
  • Техническое обслуживание
  • Силовой агрегат
  • Двигатель в автомобиле
  • Капремонт двигателей
  • Охлаждение и отопление
  • Система питания и выхлопа
  • Электрооборудование двигателя
  • Управление двигателем
  • Трансмиссия
  • Автоматическая коробка
  • Раздаточная коробка
  • Приводные валы и кардан
  • Шасси
  • Тормозная система
  • Подвеска автомобиля
  • Рулевое управление
  • Кузов
  • Экстерьер (наружные элементы)
  • Интерьер (внутренние элементы)
  • Двери, замки и окна
  • Электрооборудование
  • Оборудование и приборы
  • Электрические схемы

 

Люмина 1 (1989-1994) 
  • Общая информация
  • Техническое обслуживание
  • Силовой агрегат
  • Двигатель V6 объемом 3.1 л
  • Двигатель V6 объемом 3.8 л
  • Капремонт двигателей
  • Система охлаждения
  • Система питания и выхлопа
  • Впрыск топлива
  • Электрооборудование двигателя
  • Снижение токсичности ОГ
  • Трансмиссия
  • Автоматическая коробка
  • Приводные валы
  • Шасси
  • Тормозная система
  • Подвеска автомобиля
  • Рулевое управление
  • Кузов
  • Отопление и кондиционирование
  • Ремонт элементов кузова
  • Двери, крышки и окна
  • Интерьер (внутренние элементы)
  • Электрооборудование
  • Оборудование и приборы
  • Электрические схемы

 

Анекдот про автомобили:
покажите ещё один

 

ChevyMan.ru © 2017-2025 · Мобильная версия · Обратная связь · Поиск по сайту · Интересно почитать · Карта сайта: EN BG BY UA RS HR RO PL SK HU

Aveo 2003-2008 · Aveo 2006-2011 · Aveo 2012-2018 · Captiva 2006-2018 · Cruze 2008-2016 · Lacetti 2002-2009 · Lanos 2002-2009 · Niva 2002-2016 · Tahoe 1992-2000 · Tahoe 2000-2014 · Люмина 1 1989-1994 · Трейлблейзер 1 2001-2008 · Орландо 1 2010-2018 · Новости автомобильные · Устройство легковых авто · Техническая эксплуатация авто · Впрыск бензиновых двигателей · Шины легковых автомобилей