
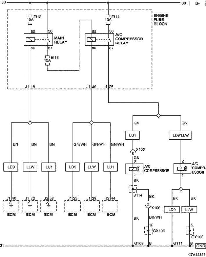
а. ИНФОРМАЦИЯ О РАЗЪЁМЕ
| № РАЗЪЁМА (№ И ЦВЕТ КОНТАКТА) |
СОЕДИНИТЕЛЬНЫЙ ЖГУТ ПРОВОДОВ | ПОЛОЖЕНИЕ РАЗЪЁМА |
| X106 (7-контактн., черный) | Двигатель - топливная форсунка (HVF6) | Над головкой цилиндров |
| GX106 (черный/серый) | Двигатель (DSL/HFV6) | Над головкой цилиндров |
| G109 | Топливная форсунка (HFV6) | На блоке цилиндров |
| G111 | Двигатель (FAM II) | На блоке цилиндров |
б. УСЛОВНОЕ ОБОЗНАЧЕНИЕ & И НАХОЖДЕНИЕ НОМЕРА КОНТАКТА

в. РАСПОЛОЖЕНИЕ РАЗЪЁМОВ И СОЕДИНЕНИЙ МАССЫ
Ж/П ДВИГАТЕЛЬ (LD9)

Ж/П ДВИГАТЕЛЬ (LLW)

Ж/П ДВИГАТЕЛЬ (LU1)

