ChevyMan.ru
Mazda Mitsubishi Toyota Land Rover Honda Kia Nissan
Русский English
Български
Беларускі
Український
Српски
Hrvatski
Română
Polski
Slovenský
Magyar
|
Статьи | Карта | Контакты | Поиск:
 
 
 
 
 
 
 
 
Главная   Aveo   Captiva   Cruze   Lacetti   Lanos   Niva   Tahoe   Другие  
Тахо 2 и 3 (2000-2014) Тахо 1 (1992-2000)
  • Главная
  • Тахо
  • 1 (1992-2000)
  • Электрооборудование
  • Электрические схемы
  • Типовая электросхема управления кондиционером и отопите…

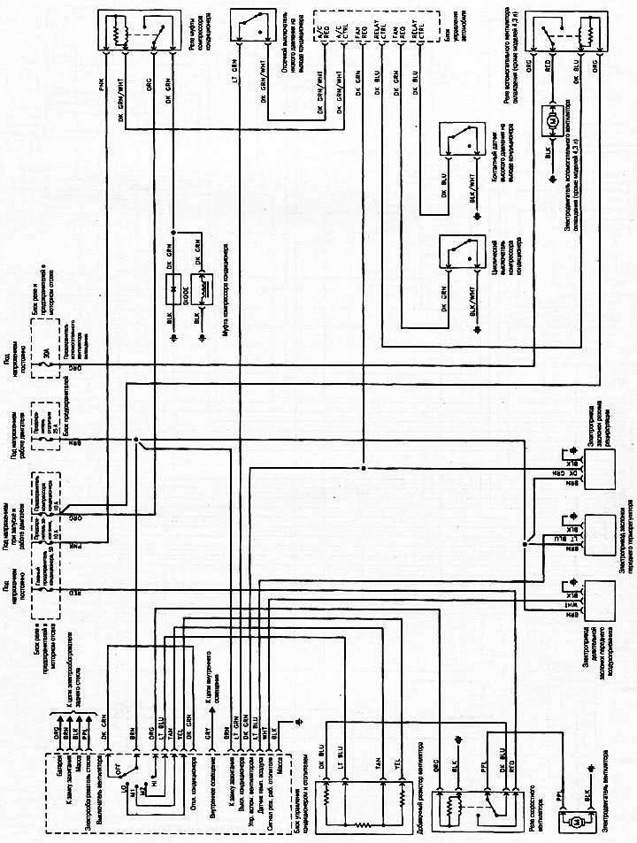
Типовая электросхема управления кондиционером и отопителем (модели с 1995 года) (Chevrolet Tahoe 1)

            0

Типовая электрическая схема управления кондиционером и отопителем (модели с 1995 года)





Открыть в новом окне →

(Оригинал статьи можно найти на ресурсе chevyman.ru)

Статья была проверена: Владимир Романников
Эта статья доступна на английском, болгарском, белорусском, украинском, сербском, хорватском, румынском, польском, словацком, венгерском

Поделитесь информацией:

Предыдущие статьи
Тахо 1: Электрические схемы
Следующие статьи

Принципиальная электросхема управления двигателей 5,0, 5,7 и 7,4 л
Принципиальная электросхема управления двигателем 4,3 л (модели с 1996 года)
Принципиальная электросхема управления двигателем (модели 1987-1995 годов)
Принципиальная электросхема круиз-контроля (модели 1993 года)
Принципиальная электросхема круиз-контроля (модели 1995-1995 годов)
Типовая электросхема управления кондиционером и отопителем (модели до 1994 года)
Типовая электросхема приборов и выключателей (модели с 1995 года)
Приборы освещения салона, дверного проема и моторного отсека (модели до 1995 года)
Система электропитания дверных замков (без замка двери кабины водителя)
Система электропитания дверных замков (модели с 1995 года)


Смотрите похожие статьи по теме автомобилей Шевроле:
Система вентиляции с блоком ручного управления Шевроле Авео Т300 (2012-2018)
Пульт дистанционного управления Шевроле Каптива 1 (2006-2018)
Замена тросов управления механической коробкой передач Шевроле Круз 1 (2008-2016)
Проверка уровня рабочей жидкости в бачке гидроусилителя рулевого управления Шевроле Лачетти 1 (2002-2009)
Расположение органов управления и приборов Шевроле Ланос Т150 (2002-2009)
Рычаги управления трансмиссией Шевроле Нива 1 (2002-2016)
Снятие и установка панели управления отопителем и кондиционером Шевроле Люмина 1 (1989-1994)
Ссылка в разных форматах на эту страницу
TextHTMLBB Code


Комментарии посетителей

Комментариев пока нет


Сколько будет 17 + 33 =

       





Тахо 2 и 3 (2000-2014) 
  • Общая информация
  • Характеристики автомобиля
  • Устройство автомобиля
  • Руководство по эксплуатации
  • Техническое обслуживание
  • Силовой агрегат
  • Ремонт двигателя
  • Капремонт двигателя
  • Система охлаждения
  • Система впрыска и управления
  • Выхлопная система
  • Электрооборудование двигателя
  • Трансмиссия
  • АКПП 4L60E, 4L65E, 4L70E
  • АКПП 6L50, 6L80, 6L90
  • Раздаточная коробка
  • Приводные валы и кардан
  • Передний ведущий мост
  • Задний ведущий мост
  • Шасси
  • Подвеска автомобиля
  • Рулевое управление
  • Тормозная система
  • Кузов (до 2007 года)
  • Экстерьер (наружные элементы)
  • Интерьер (внутренние элементы)
  • Двери, замки и окна
  • Отопление и кондиционер
  • Система безопасности (SRS)
  • Кузов (с 2007 года)
  • Экстерьер (наружные элементы)
  • Двери, замки и окна
  • Интерьер (внутренние элементы)
  • Электрооборудование
  • Электроприборы (до 2007 г.)
  • Освещение и лампы (до 2007 г.)
  • Аудиосистема (до 2007 г.)
  • Электроприборы (с 2007 г.)
  • Освещение и лампы (с 2007 г.)
  • Аудиосистема (с 2007 г.)
  • Электросхемы (2000-2005 г.)
  • Электросхемы (2005-2007 г.)
  • Электросхемы (с 2007 г.)

 

Тахо 1 (1992-2000) 
  • Общая информация
  • Инструкция по эксплуатации
  • Техническое обслуживание
  • Силовой агрегат
  • Двигатель в автомобиле
  • Двигатель снят
  • Система охлаждения
  • Отопление и кондиционионер
  • Топливная и выхлопная системы
  • Снижение токсичности
  • Трансмиссия
  • Механическая коробка передач
  • Автоматическая коробка передач
  • Раздаточная коробка
  • Сцепление и приводные валы
  • Шасси
  • Тормозная система
  • Подвеска автомобиля
  • Рулевое управление
  • Кузов
  • Ремонт элементов кузова
  • Электрооборудование
  • Электрика двигателя
  • Оборудование и приборы
  • Электрические схемы

 

Анекдот про автомобили:
покажите ещё один

 

ChevyMan.ru © 2017-2025 · Мобильная версия · Обратная связь · Поиск по сайту · Интересно почитать · Карта сайта: EN BG BY UA RS HR RO PL SK HU

Aveo 2003-2008 · Aveo 2006-2011 · Aveo 2012-2018 · Captiva 2006-2018 · Cruze 2008-2016 · Lacetti 2002-2009 · Lanos 2002-2009 · Niva 2002-2016 · Tahoe 1992-2000 · Tahoe 2000-2014 · Люмина 1 1989-1994 · Трейлблейзер 1 2001-2008 · Орландо 1 2010-2018 · Новости автомобильные · Устройство легковых авто · Техническая эксплуатация авто · Впрыск бензиновых двигателей · Шины легковых автомобилей