Снятие
Cadillac Escalade (модели до 2005 г.)
1. Отсоедините провод от отрицательной клеммы аккумуляторной батареи.
2. Снимите вещевой ящик.
3. Снимите отделку порога передней двери с правой стороны.
4. Снимите переднюю боковую отделку салона.
5. Отсоедините электрические разъемы от блока управления двигателем.
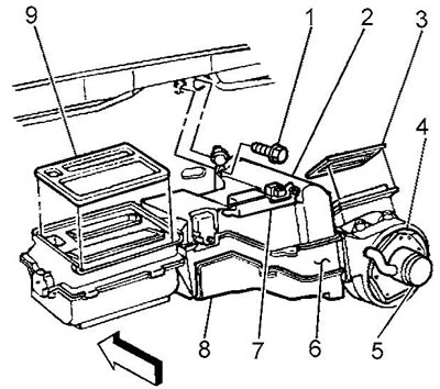
6. Отсоедините электрический разъем вентилятора (5).

7. Отверните болт крепления держателя панели приборов с правой стороны.
8. Снимите крышку с электродвигателя вентилятора.
9. Отсоедините шланг от электродвигателя вентилятора.
10. Отверните винты (4) крепления электродвигателя вентилятора.
11. Осторожно потяните вперед электродвигатель, стараясь на задеть вентилятор, и снимите электродвигатель.
12. Установка производится в обратном порядке.
Примечание: перед установкой электродвигателя вентилятора проведите проверку:
- Проверьте разъем электродвигателя вентилятора на отсутствие повреждений. Удалите следы коррозии с выводов разъема и при необходимости замените электродвигатель вентилятора.
- Проверьте фланец электродвигателя на отсутствие повреждений и деформацию. При необходимости замените фланец.
- Проверьте крыльчатку вентилятора на отсутствие повреждений и загнутых мест.
Chevrolet Tahoe, Cadillac Escalade (модели с 2005 г.) - Delphi
1. Снимите звукоизоляционную накладку.
2. Отверните винты крепления электродвигателя вентилятора. Момент затяжки 2 Н·м.

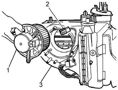
3. Отсоедините разъём электродвигателя вентилятора.
4. Снимите крышку с электродвигателя вентилятора.
5. Поверните электродвигатель вентилятора против часовой стрелки, потянув за выступ вниз, и отсоедините электродвигатель от блока климатической установки.

6. Снимите электродвигатель вентилятора.

7. Установка проводится в обратном порядке.
Chevrolet Tahoe, Cadillac Escalade (модели с 2005 г.) - Visteon
1. Снимите звукоизоляционную накладку.
2. Отсоедините разъем (2) электродвигателя вентилятора (1).

3. Отверните винты крепления электродвигателя вентилятора. Момент затяжки 2 Н·м.
4. Отсоедините электродвигатель вентилятора (1) от блока климатической установки (3).
5. Снимите и выбросите держатели крыльчатки.
6. Снимите крыльчатку вентилятора с электродвигателя (1).
Установка
7. Установка проводится в обратном порядке.
Оригинал материала расположен на сайте ChevyMan
