Cadillac Escalade (модели до 2005 г.)
1. Слейте охлаждающую жидкость из системы охлаждения двигателя.
2. Снимите вещевой ящик.
3. Отсоедините все разъемы проводки.
4. Снимите центральный воздуховод.
5. Снимите передние боковые отделки салона.
6. Снимите крышку с электродвигателя вентилятора.
7. Снимите электродвигатель вентилятора.
8. Снимите рулевую колонку.
9. Поверните панель приборов.
10. Снимите расширительный бачок системы охлаждения.
11. Снимите шланги блока отопителя.
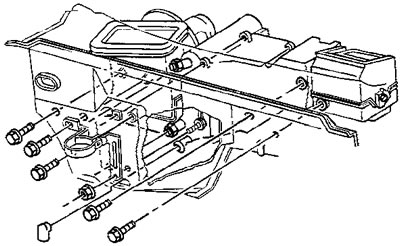
12. (Некоторые модели, с внутренней стороны) Придерживая блок отопителя, отверните винт крепления блока отопителя. Момент затяжки 11 Н·м.

13. (Со стороны двигателя) Отверните четыре винта крепления блока отопителя. Момент затяжки 2 Н·м.

14. (Со стороны двигателя) Отверните две гайки крепления блока отопителя. Момент затяжки 3 Н·м.
15. Снимите блок отопителя.
16. Отверните семь винтов крепления крышки блока отопителя.

17. Снимите крышку.
18. Снимите радиатор отопителя с держателя.
19. Установка проводится в обратном порядке.
20. Проверьте подсоединённые штуцеры системы на наличие утечки хладагента.
Chevrolet Tahoe, Cadillac Escalade (модели с 2005 г.)
1. Снимите блок климатической установки.
2. Отверните винты крепления защитной крышки радиатора отопителя. Момент затяжки 2 Н·м.
3. Снимите защитную крышку радиатора отопителя (1) с блока климатической установки (2).
Visteon |
Delphi |
4. Снимите прокладку (1) с трубок радиатора отопителя (2).

5. Извлеките радиатор отопителя (1) из блока климатической установки (2).

6. Установка проводится в обратном порядке.
