Снятие
Cadillac Escalade (модели до 2005 г.)
1. Откачайте хладагент из системы кондиционирования.
2. Снимите боковую отделку багажного отделения.

3. Отсоедините шланги от испарителя (5).
4. Отсоедините все разъемы проводки.
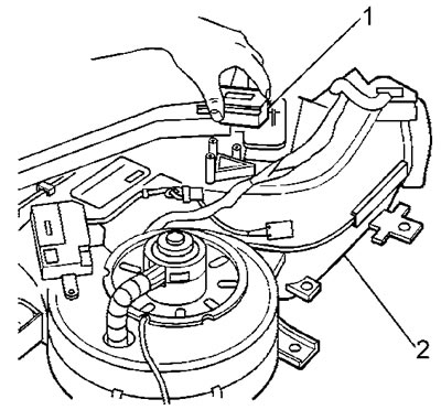
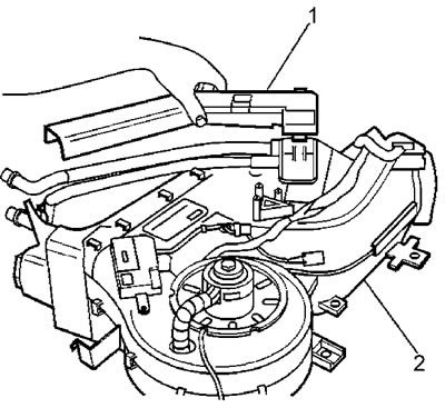
5. Снимите радиатор испарителя дополнительной климатической установки.
- а) Отверните винты (2) крепления радиатора к кузову.
- б) Снимите вентилятор (3) с блока дополнительной климатической установки.
- в) Отсоедините фиксаторы (6) крепления корпуса блока дополнительной климатической установки.
- г) Разъедините корпус дополнительной климатической установки.
6. Снимите уплотнительные шайбы.
7. Снимите радиатор испарителя дополнительной климатической установки.
8. Установка проводится в обратном порядке.
Tahoe/Yukon
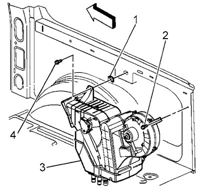
1. Снимите дополнительный блок (4) климатической установки.

2. Снимите привод смешивания воздушных потоков (1).

3. Снимите крышку (1) радиатора отопителя с дополнительного блока климатической установки.

4. Снимите радиатор отопителя с дополнительного блока климатической установки.

5. Снимите нижнюю часть корпуса блока климатической установки.

6. Снимите радиатор дополнительного испарителя с нижней части корпуса блока климатической установки.

7. Установка проводится в обратном порядке.
Suburban/Yukon
1. Снимите дополнительный блок (3) климатической установки.

2. Снимите привод смешивания воздушных потоков (1).

3. Снимите штифт с обратной стороны блока климатической установки, расположенный между впускным отверстием радиатора отопителя и выпускной трубкой (4).
4. Осторожно отсоедините прокладку трубки радиатора отопителя от корпуса и снимите держатель трубки радиатора.
5. Отверните винты крепления нижней части корпуса блока климатической установки. Момент затяжки 1,6 Н·м.
6. Снимите нижнюю часть корпуса дополнительного блока климатической установки.

7. Снимите зажим крепления радиатора отопителя.
8. Снимите радиатор отопителя с дополнительного блока климатической установки.
9. Осторожно снимите прокладку, расположенную между дополнительным блоком климатической установки и воздуховодом.

10. Отсоедините пистоны и осторожно разъедините переднюю и заднюю части корпуса.
11. Снимите радиатор дополнительного испарителя с задней части корпуса.

12. Проверьте прокладки и уплотнители на отсутствие повреждений. При необходимости, замените поврежденные элементы.
Установка
13. Установка проводится в обратном порядке.
