Снятие
Cadillac Escalade (модели до 2005 г.)
1. Снимите накладку панели приборов.
2. Снимите магнитолу.
3. Осторожно нажмите на фиксаторы и отсоедините панель управления от панели приборов.

4. Отсоедините тросы привода заслонки смешивания потоков воздуха и привода заслонки изменения направления воздушных потоков.

5. Отсоедините электрический разъем от панели управления.
6. Снимите панель управления.
7. Установка проводится в обратном порядке.
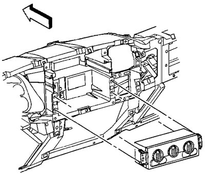
Chevrolet Tahoe, Cadillac Escalade
1. Снимите переднюю декоративную накладку панели приборов.
2. (Модели с механическим управлением, модели до 2007 г.) Снимите дополнительный вещевой ящик.
3. Снимите дополнительный переключатель с панели приборов.
4. Отверните винты крепления панели управления климатической установки. Момент затяжки 2 Н·м.
Модели до 2007 г.
Модели с 2007 г. с автоматическим управлением. 1 - винт, 2 - панель управления климатической установкой. |
Модели с 2007 г., с механическим управлением. 1 - винт, 2 - панель управления климатической установкой. |
5. (Модели до 2007 г.) Нажмите на фиксаторы и снимите панель управления климатической установкой с панели приборов.
6. Отсоедините разъемы проводки от панели управления климатической установкой.
Установка
7. Установка проводится в обратном порядке.
Примечание: не нажимайте на кнопки на панели управления климатической установкой во время самокалибровки. Нажатие кнопок на панели управления во время самокалибровки приведет к остановке процесса и некорректной работе панели управления.
8. Запустите двигатель на одну минуту.
