Снятие
1. Поднимите автомобиль и установите под раму стойки безопасности.
2. Подведите под балку моста временную опору (домкрат).
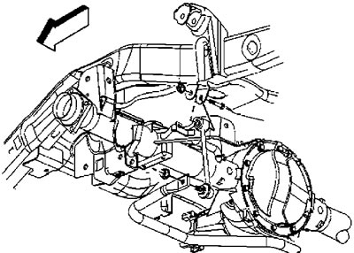
3. Если подвеска с электронным управлением, отсоедините разъем датчика высоты расположение кузова.
4. Отверните гайки крепления тяг стабилизатора поперечной устойчивости к раме. Момент затяжки 65 Н·м.

5. Отверните болты и гайки крепления амортизатора к балке моста. Момент затяжки 95 Н·м.
Серия 1500 (GMT800/900), 2500 (GMT800) |
Серия 2500 (GMT900) |
6. Опустите балку моста до полной разгрузки пружины подвески.

7. Снимите пружину и верхний изолятор.
Установка
8. Установка в обратном порядке.
Текст статьи был получен с сайта ChevyMan
