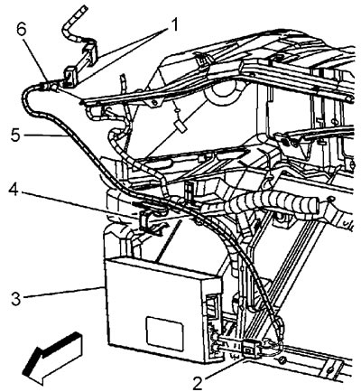
2. Отсоедините коаксиальный кабель антенны цифрового радио (1).

3. Полностью откройте вещевой ящик.
4. Отсоедините разъем коаксиального кабеля (2) от цифрового радио (3).

5. Отсоедините фиксаторы (4, 6).
6. Снимите коаксиальный кабель под панелью приборов (5).
7. Установку произведите в порядке, обратном снятию.
(Оригинал статьи находится на сайте: ChevyMan.ru)
